Инструкция по эксплуатации сигнализации Tomahawk (Томагавк) 9010, 9020 и 9030 с автозапуском

Современный рынок автомобильной электроники предлагает потребителям множество разновидностей противоугонных систем. Причем модели сигнализаций могут иметь не только защитные, но и дополнительные функции, направленные на более комфортное управление автомобилем. Что представляет собой сигнализация Томагавк 9010, инструкция по эксплуатации, а также рекомендации по установке описаны в этой статье.
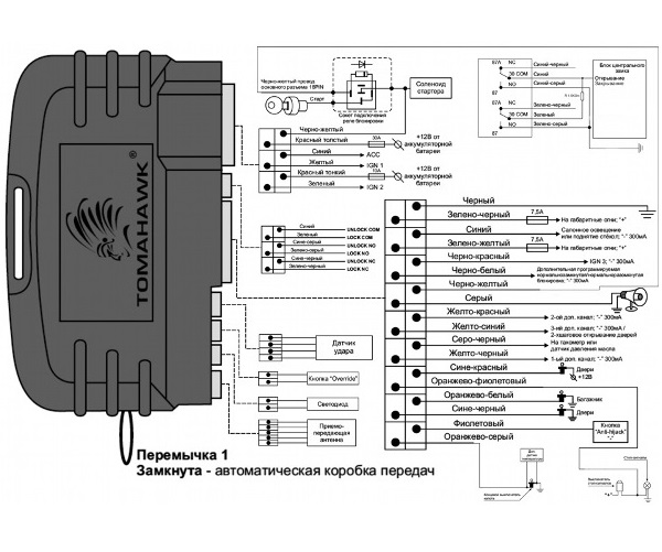
Установки и особенности
В первую очередь предлагаем ознакомиться с руководством по установке сигнализации с автозапуском или без него своими руками. Вне зависимости от модели, устанавливать сигналки нужно по одному принципу.

Обозначение кнопок и опцией пульта
Как установить?
Процесс монтажа противоугонного оборудования вкратце выглядит так:
- Сначала осуществляется обесточивание бортовой сети, для этого отключается АКБ.
- Затем устанавливается управляющее устройство — блок, его следует ставить в салоне, за приборной панелью, чтобы до него не мог добраться преступник в случае взлома авто.
- Далее, производится установка антенного адаптера. Его лучше поставить в верхней части лобового стекла, на внутренней стороне, то есть в салоне. Важно — антенный адаптер не должен соприкасаться с металлическими частями кузова и проводкой, иначе могут возникнуть помехи при передаче сигнала от брелока.
- Затем осуществляется монтаж сирены — ее нужно поставить рупором вниз в подкапотном пространстве. Доступ к сирене также желательно ограничить, также учтите, что на ее работу могут оказать негативное влияние высокие температуры и влага.
- Если система оснащается датчиком температуры, то этот элемент желательно разместить в моторном отсеке, в непосредственной близости с двигателем. Так устройство будет передавать наиболее точные данные.
- Концевые переключатели монтируются в дверях, на крышке багажника и капоте.
- Диодную лампочку также нужно установить в районе лобового стекла — ее моргание даст понять потенциальным злоумышленникам, что машина находится под охраной.
- Контроллер удара монтируется в салоне автомобиля, желательно его разместить в центральной части кузова. Фиксируется устройство при помощи стяжек или скотча.
- Затем осуществляется подключение всех элементов к управляющему модулю, при этом провода лучше защитить предохранителями, а также дополнительно заизолировать.
Фотогалерея «Основные элементы сигналки»



Функционал модели 9010
Комплектация автосигнализации модели TZ 9010 включает в себя сирену, блок управления, концевики, антенную диодный индикатор, монтажные элементы, а также руководство по использованию.
Эта модель относится к бюджетному сегменту рынка, тем не менее, она имеет множество полезных для потребителя функций:
- наличие антиграббера и антисканера, позволяющих предотвратить перехват сигнала;
- функцию обратной связи с пультом управления;
- возможность блокировки работы мотора, а также дверей и багажного отделения;
- систему управления центральным замком;
- одной из ключевых особенностей является функция автоматического запуска мотор.
Функционал модели 9020
Как показывает к модели автосигнализации 9020 инструкция, эта сигналка обладает стандартным функционалом, но кроме этого, она также поддерживает и дополнительные опции:
- кроме датчика удара, в комплекте идет контроллер вибрации;
- возможность запуска мотора дистанционно;
- возможность приема сигнала на расстоянии 1.2 км;
- двухсторонняя связь с пультом управления;
- защита от ложных включений;
- кроме того, система предупреждает автовладельца о том, что в его авто остались незакрытыми двери (автор видео — Петр Пермяков).
Функции 9030
В комплекте к модели 9030 инструкция описывает все нюансы установки и использования сигналки. Основные функции:
- защита системы от перехватов сигналов;
- множество вспомогательных функций, позволяющих удаленно ставит авто на охрану;
- при необходимости автовладелец может запрограммировать пульт управления под свои предпочтения;
- двухсторонняя связь с системой посредством брелока с ЖК-дисплеем;
- возможность завести и отключить мотор дистанционно;
- опция прогрева ДВС до установленной температуры;
- радиус приема сигнала составляет 1.2 км.
Видео «Как запустить двигатель по таймеру»
Инструкция к этой функции приведена на видео ниже (автор — Иван Васильевич).
