Инструкция к автомобильной магнитоле Мистери (Mystery): схема подключения автомагнитолы и модели

Для водителей, которые проводят долгое время в машине, важно послушать музыку в хорошем качестве. Обеспечить качественное звучание может магнитола Мистери. В статье рассматриваются ее особенности, преимущества и недостатки, возможные неисправности, нюансы подключения и настройки, дается обзор моделей.
Особенности
Популярность автомагнитол Мистери среди автолюбителей во многом объясняется ценовой политикой компании. Производитель поддерживает цены на одном уровне не зависимо от курса валют, поэтому цены девайсов доступны широкому кругу покупателей. В компании всегда отслеживаются последние тенденции в мире электроники, что отражается в выпуске новых моделей.

Автомагнитолы Мистрери многофункциональны. Несмотря на большое количество моделей, компания производит устройства высокого качества. Особенность устройств в том, что их можно подключить к штатным разъемам. Поэтому установку может сделать любой автолюбитель самостоятельно. Автомагнитолы оснащены разъемами для подключения различных цифровых устройств, которые способны воспроизводить известные форматы.
Девайсы оснащены встроенными процессорами, которые отвечают за качество и частоту звука. С помощью эквалайзеров пользователь имеет возможность отрегулировать звук согласно своему вкусу. Модели оснащены подсветкой с возможностью выбора цвета. Встроенный GPS-навигатор дает возможность сэкономить на покупке навигационных устройств.
Виды и модели
Автомобильные магнитолы Мистери пользуются спросом на автомобильном рынке. Ниже будут рассмотрены некоторые модели.
MDD 6270NV
Данная модель представляет собой магнитолу в стильном корпусе с сенсорным экраном. Одним из преимуществ является простота и удобство эксплуатации. В комплект входит головное устройство, мощная антенна, GPS-навигатор, есть ТВ-тюнер. Чтобы водителю было удобнее управлять устройством управляющие кнопки можно установить на рулевом колесе.

Плюсы:
- поддержка различных устройств, что позволяет прослушивать музыку с карт памяти, воспроизводить видео с CD дисков и т.д.;
- для подключения девайсов магнитола оснащена портом USB;
- предусмотрен дополнительный видеовход, что дает возможность подключения камеры заднего обзора;
- доступная стоимость.
MMD 6220S
Внешне ресивер выглядит привлекательно, размер составляет 2 din. Экран 6,2 дюйма, по бокам расположены кнопки переключения. Громкость меняется с помощью регулятора, аналогичный переключатель для поиска по частотам радиостанций. Имеется цветная подсветка, которую можно менять. Выбор цветов достаточно широкий. Внешний вид можно изменить, выбрав в качестве заставки на экран, картинку марки автомобиля.
Магнитола оснащена разъемами для камеры обзора сзади авто, самбуфера, ТВ-антенны, для считывания карт памяти SD, а также USB портом и разъемом. Управление простое. На экране высвечивается время и дата. Внизу есть кнопка для перевода устройства в ночной режим работы. Оснащено устройство эквалайзером, хорошим радиоприемником. Есть возможность воспроизводить CD и DVD диски.
MDD 7120S
Автомагнитола Мистери MDD 7120S имеет сенсорный ЖК-дисплей с диагональю 7 дюймов с высоким качеством изображения. Данная модель является универсальным устройством способным считывать информацию в разных форматах и носителей (CD/ DVD/ MP3/USB). На передней панели расположен порт для USB и карт SD (автор видео — Serega Soviet).
Преимущества модели 7120s:
- стандартный размер 2 din позволяет установку на автомобили, выпущенные после 2007 года;
- выходная мощность 4х50 Вт;
- девайс оснащен встроенным ТВ-тюнер, который поддерживает стандарты: PAL, SECAM и NTSC;
- можно установить управление на руль
- радиопередатчик работает на волнах УКВ, FM и AM;
- с тыльной стороны есть вход для камеры заднего обзора и AV.
С комплектом магнитолы идет пульт дистанционного управления.
MDD 4310S
Модель оснащена полноцветным дисплеем. Размер экрана 6,2 дюйма. Насыщенные цвета и высокая чувствительность позволяют просматривать фильмы и видеоролики в хорошем качестве. На мониторе хорошо отображается карта местности. Мощная антенна, идущая в комплекте, качественно принимает сигналы независимо от нахождения автомобиля.
Магнитола имеет следующие технические характеристики:
- оснащена GPS-навигатором;
- мощность составляет 50 Вт;
- размер устройства — 2 din;
- размер сенсорного экрана – 6,2 дюйма;
- поддерживает широкий диапазон радиочастот;
- позволяет воспроизводить аудио форматы – MP3, WMA;
- есть возможность просматривать видео в формате MPEG4.
Руководство по эксплуатации
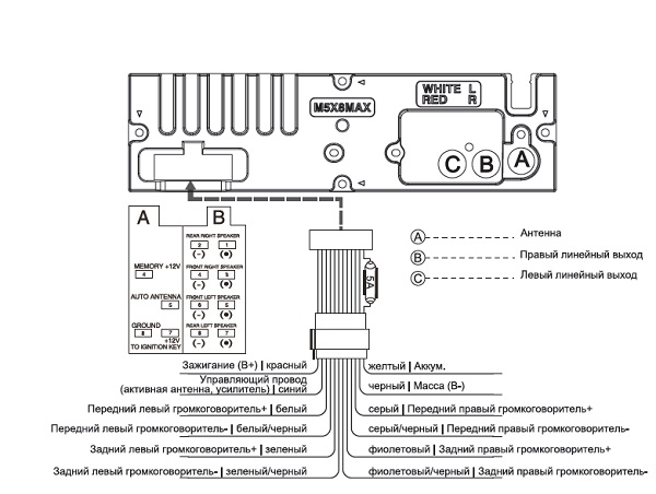
Перед тем, как устанавливать магнитолу в автомобиль, следует внимательно изучить предлагающееся руководство по эксплуатации и придерживаться рекомендаций, указанных в нем. Подключение выполнять согласно схеме.

Схема подключения магнитолы Мистери
Основные аспекты подключения
Перед подключением нужно отсоединить минусовую клемму аккумулятора.
Устанавливать ресивер следует подальше от источников тепла, в месте, где нет прямых солнечных лучей, пыли, грязи и больших вибраций.
Для подключения следует использовать специальные автомобильные кабели и провода с соответствующим сечением, чтобы избежать падения напряжение.
В процессе установки выполняются следующие шаги:
- С помощью специальных ключей нужно вынуть магнитолу из установочной рамки.
- Затем рамку, в которую будет устанавливаться устройство, необходимо вставить в штатное место на приборной панели. Устанавливать рамку следует без приложения усилий, чтобы не повредить ее. После установки рамку нужно закрепить.
- На следующем этапе необходимо подключить антенну и присоединить все провода и кабели к разъемам согласно схеме подключения, которая находится в инструкции магнитолы Мистери.
- Далее устройство вставляется в рамку до упора, пока пружины не войдут в соответствующие пазы.
Для увеличения помехоустойчивости корпус автомагнитолы нужно соединить с металлической частью кузова.
После установки магнитолы подключается аккумуляторная батарея. Для некоторых моделей достаточно питания от прикуривателя, поэтому их можно подключать к нему.

Основы настройки
Управление и настройка устройства осуществляется с помощью кнопок, расположенных на передней панели.
Они имеют следующее назначение:
- кнопка для снятия мордочки (передней панели);
- включения/выключения;
- регулятор уровня громкости;
- выбор режима работы;
- переход к следующему треку;
- извлечение диска;
- выбор радиостанции;
- кнопки включения различных режимов воспроизведения;
- переход к предыдущему треку;
- выбор частотного диапазона;
- мгновенное включение/выключение звука;
- инициализация системы (сброс данных).
На передней панели есть разъемы для подключения внешних устройств, SD карты памяти, USB.

Аналогичные кнопки управления находятся на пульте дистанционного управления, который прилагается к аппарату. Назначение кнопок управления подробно описано в руководстве автомагнитолы. Там же описано, как правильно выполнить общие настройки, а также настроить радио, звук время и дату, изображение, рулевое управление и т.д.
Возможные неисправности и способы их устранения
Как и любое устройство, магнитола может иметь неисправности.
Неисправность | Причина | Способ устранения |
Устройство не включается | Неправильное подключение, сгорел предохранитель. | Проверить правильность подключения, заменить предохранитель. |
Нет звука, хотя аппарат включен | Неправильно подключены динамики, повреждены соединительные провода, оголенные провода касаются корпуса или других проводов. | Проверить, правильно ли подсоединены динамики, проверить целостность проводки, заменить поврежденные участки. |
Звук есть, но нет изображения | Не подсоединен провод стояночного тормоза или нет активации стояночного тормоза. | Активировать стояночный тормоз. |
Перегорает предохранитель | Провода касаются корпуса, установлен предохранитель с неправильным номиналом. | Проверить провода, установить предохранитель с нужным номиналом.
|
Не воспроизводится диск DVD | Поврежден диск. | Проверить поверхность диска. |
Прерывается звучание | Загрязнен диск, устройство плохо закреплено. | Протереть диск мягкой тканью, зафиксировать аппарат. |
Не работает ПДУ | Сели или вышли из строя батарейки. | Заменить источники питания. |
На экране высвечивается надпись ERR-DISC | Диск установлен неправильно, ошибка фокусировки. | Установить правильно диск, нажать EJECT или RESET. |
На мониторе появляется ошибка Region Code error | Неправильный код страны. | Можно использовать диски только с отметкой «ALL» или«1». |
Монитор не включается/не отключается | Нет центрирования монитора, перед передней панелью находится препятствие. | Устранить препятствие, выполнить левый и правый поворот дисплея. |
Плюсы и минусы девайсов
Основные преимущества автомагнитол Мистери:
- удобство и простота подключения;
- разъем для подключения камеры заднего вида;
- GPS-навигатор;
- мощная антенна;
- широкий частотный диапазон;
- наличие эквалайзера;
- качественный звук;
- подсветка.
Недостатки относятся к конкретным моделям.
Можно назвать некоторые из них:
- задействованы не все кнопки;
- ограниченные возможности эквалайзера;
- неудобный интерфейс плеера;
- плохое качество звучания;
- мало настроек.
У каждой модели свои достоинства и недостатки.
Цена вопроса




Видео «Особенности MDD-6270NV»
В этом ролике рассказывается о некоторых особенностях автомагнитолы Мистери MDD-6270NV, которые не описаны в инструкции (автор видео sha4lo).

