C1236 Ошибка Тойота Ленд Крузер 200 © Ошибка b2799
Какие еще проблемы с Land Cruiser 200?
Угадайте, где у машины спрятаны блоки управления турбинами? В правой колесной нише, за подкрылком, в котором пробиты щедрые вентиляционные отверстия. Их проводка порой не выдерживает наших условий эксплуатации. Замена проводов и перенос блоков в подкапотное пространство стоит всего 5 тысяч рублей.
Еще может возникнуть проблема с актуаторами турбин. От сажи они закисают, если на машине всегда очень спокойно ездить. В итоге их придется либо разрабатывать (от 4,5 тыс. рублей), либо менять турбину: 60 тысяч рублей стоит она сама, в 20 тысяч обойдется установочный комплект и 22,5 тысячи понадобится на работы. Итого 102,5 тыс. рублей.

Ошибка 52 (P0325) двигателя Toyota. Что значит код ошибки, устранение проблемы
Ошибка C1a50 Toyota Land Cruiser 200 Был у меня авенсис 5 год универсал, время от времени были такие приколы, я просто глушил, и заводил двигатель, проблема уходила
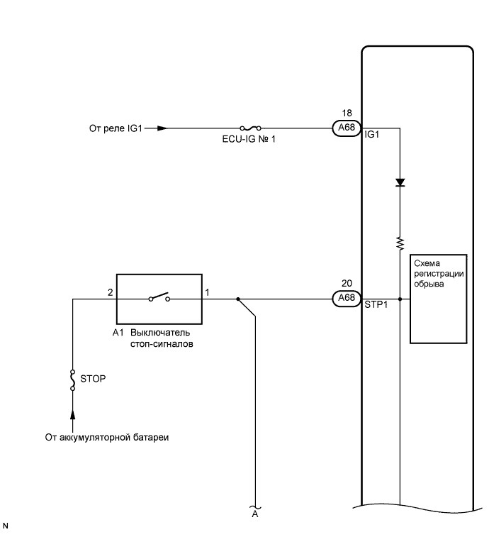
ПОСЛЕДОВАТЕЛЬНОСТЬ ПРОВЕРКИ
Извлеките предохранитель STOP из главного ЭБУ кузова (распределительный блок панели приборов).
Измерьте сопротивление в соответствии со значениями, приведенными в таблице ниже.
Номинальное сопротивление:
| Контакты для подключения диагностического прибора | Режим | Заданные условия |
| Предохранитель STOP (10 А) | Всегда | Менее 1 Ом |
Убедитесь, что при нажатии педали тормоза стоп-сигналы включаются, а при отпускании – гаснут.
OK:
| Режим | Состояние освещения |
| Педаль тормоза нажата | ON (ВКЛ) |
| Педаль тормоза отпущена | OFF (ВЫКЛ) |
Отсоедините разъем ЭБУ системы противоскольжения.
Измерьте напряжение в соответствии со значениями, приведенными в таблице.
Номинальное напряжение:
| Контакты для подключения диагностического прибора | Положение выключателя | Заданные условия |
| A68-20 (STP1) — масса | Выключатель стоп-сигналов включен (педаль тормоза нажата) | 8-14 В |
| A68-20 (STP1) — масса | Выключатель стоп-сигналов выключен (педаль тормоза отпущена) | Менее 1,5 В |
Измерьте напряжение в соответствии со значениями, приведенными в таблице.
Номинальное напряжение:
| Контакты для подключения диагностического прибора | Положение выключателя | Заданные условия |
| A68-18 (IG1) — масса | Зажигание включено (IG) | 11-14 В |
Измерьте сопротивление в соответствии со значениями, приведенными в таблице ниже.
Номинальное сопротивление:
| Контакты для подключения диагностического прибора | Режим | Заданные условия |
| A68-4 (GND1) — масса | Всегда | Менее 1 Ом |
| A68-1 (GND2) — масса | Всегда | Менее 1 Ом |
Подсоедините разъем ЭБУ системы противоскольжения.

Номинальное напряжение:
| Контакты для подключения диагностического прибора | Положение выключателя | Заданные условия |
| A68-20 (STP1) — масса | Выключатель стоп-сигналов включен (педаль тормоза нажата) | 8-14 В |
| A68-20 (STP1) — масса | Выключатель стоп-сигналов выключен (педаль тормоза отпущена) | Менее 1,5 В |
KDSS на внедорожниках Toyota Land Cruiser 200 и Toyota Land Cruiser Prado 150
- Предохранитель STOP
- Выключатель стоп-сигналов
- Цепь выключателя стоп-сигналов
- Блок управления рабочими цилиндрами тормозов в сборе (ЭБУ системы противоскольжения)
Land Cruiser 200 с пробегом — все (большие и не очень) проблемы — журнал За рулем Система Адаптивного Освещения Дороги. Причин может быть великое множество, поэтому нужно обязательно ехать на сканер. Можно проверить до конца ли вставлена фишка подключения датчиков в блок управления AFS.
Ошибка форсунки на Лексусе
Иногда на автомобилях могут появляться неприятна надпись «Необходимо проверить форсунки». Эта надпись является прямым напоминанием о том, что нужно залить очиститель топливной системы. Эта надпись появляется автоматически через каждые 10000. Важно то, что система не распознаёт, было ли залито средство ранее или же нет. Чтобы сбросить это сообщение нужно следовать простому алгоритму:
- Заводим машину. Отключаем все потребители электроэнергии (климат, музыку, фары, парктроник и т.п.)
- Глушим машину, затем заводим снова. Включаем габаритные огни и 4 раза нажимаем педаль тормоза.
- Выключаем габаритные огни и опять 4 раза нажимаем педаль тормоза.
- Снова включаем габариты и еще 4 нажатия тормоза.
- И опять выключаем фары полностью и в последний раз 4 раза нажимаем на тормоз.
Эти незамысловатые действия избавят от назойливой записи и нервного комка переживаний внутри.

Можно утопить даже в луже»: «Критическую» ошибку Toyota Land Cruiser 200 показал эксперт
Моторный отсек

Толчки при троганье — всё плохо?
- Система впуска воздуха.
- Засорение форсунок.
- Датчик расхода воздуха (расходомер).
- Датчик температуры охлаждающей жидкости.
- Давление топлива.
- Утечки в системе выпуска.
- Разрыв или короткое замыкание в цепи датчика AFS (S1).
- Датчик AFS (S1).
- Нагреватель датчика AFS (S1).
- Главное реле системы впрыска.
- Цепи реле нагревателя датчика AFS и «EFI».
- Соединения шлангов системы вентиляции картера.
- Шланги и клапан системы вентиляции картера.
- Электронный блок управления двигателем.
СХЕМА СОЕДИНЕНИЙ
Если после замены запчасть снова перегорела, необходимо провести осмотр всей проводки, чтобы найти причину частых замыканий, приводящих к поломкам.
Влияние температуры
Техническая документация для решения этой проблемы предусматривает разделение возможных неисправностей в соответствии с принципом температуры двигателя. Давайте попробуем понять, почему машина не заводится в холодную погоду или жаркое лето.
Если с момента остановки двигателя Camry v 30 прошло более шести часов (20 на улице) или более трех часов (при минус 20 градусах), методы запуска двигателя будут такими же.
Прежде всего, вам необходимо убедиться, что все технические жидкости в Camry v 30 заполнены в соответствующих местах с учетом требований эксплуатационной документации.
Для этого поднимите крышу капота, проверьте:
Если обнаружено недостаточное количество, оно добавляется.
Внешний осмотр Camry v 30 проводится на предмет протечек под автомобилем и появления луж. Необходимо проверить герметичность подключения проводов к аккумулятору, силовых бронебойных проводов, модулей для свечей.

Ошибка С1201
Ошибка Р2757

Ржавеет быстро?
- Перевести ручку на параметр «А» и выставить значение не более 10А/ч.
- Выключить двигатель. Вытащить ключи из замка зажигания.
- Одним щупом прикоснуться к положительной клемме, другим – к отрицательной.
- В состоянии покоя показатель должен остановиться на 0,07 мА. Если больше, то где-то происходит утечка. Из-за этого может происходить медленная разрядка аккумулятора.
Делали «Прадо», а вышел очередной «Патриот»: Салон нового внедорожника УАЗ разочаровал автомобилистов Проверьте, регистрируется ли тот же DTC (Нажмите здесь).
Предохранители и реле Toyota Land Cruiser 100 (1998-2007)
Салон
1998-2003
2003-2007
Блок управления блокировкой заднего дифференциала
Блок предохранителей в салоне (1998-2002)
| № | Реле |
| R1 | Топливный насос (C/OPN) |
| R2 | Топливный насос (FUEL/PMP) |
| R3 | (D/L (L)) |
| R4 | (SPIL/VLV) |
| R5 | Стартер (ST/CUT) |
| R6 | (D/L (U)) |
| R7 | Передний противотуманный свет (FR FOG) |
| R8 | — |
| R9 | Обогрев заднего стекла (DEFOG) |
| R10 | Стеклоподъемники, люк (POWER) |
| R11 | Задний отопитель (RR HTR) |
| R12 | Освещение салона (DOME) |
| R13 | Габаритный свет (TAIL) |
Левый блок предохранителей в салоне (2002-2007)
Правый блок предохранителей в салоне (2002-2007)
| № | Реле |
| R1 | Лампы стоп-сигнала (STOP LP) |
| R2 | — |
| R3 | Зажигание (IG1 NO.3) |
| R4 | Отсечка зажигания (ACC CUT) |
Вариант 1
Вариант 2
- Блок управления люком
- RHD:
Блок управления зеркалами с электроприводом - Усилитель аудиосистемы
- Усилитель кондиционера
- Реле заднего вентилятора
- Вариант 1:
Реле заднего стеклоочистителя - Реле сцепного устройства
- Реле прицепа
- Блок управления топливным насосом
- Реле выбора топливного насоса
- Реле принудительного включения дополнительного топливного насоса
- ’02-’07: Блок управления монитором заднего вида
- ’02-’07: Блок управления навигацией
- Реле заднего отопителя
- Управляющий клапан
- LHD:
Блок управления зеркалами с электроприводом - Вариант 2:
Реле заднего правого стеклоочистителя - Вариант 2:
Реле заднего левого стеклоочистителя
Моторный отсек
- Блок управления форсунками (EDU)
- Главное реле лебедки
- Реле свечей накала
- Блок предохранителей
- Блок силовых предохранителей
- Блок управления левой фарой
- Реле вспомогательного отопителя
- Реле-выключатель по температуре охлаждающей жидкости
- Реле вентилятора кондиционера
- Реле очистителей фар
- Блок управления правой фарой
- Блок силовых предохранителей (холодная зона)
- Реле дневных ходовых огней №3
- Реле подогревателя на впуске
Блок предохранителей в моторном отсеке (1998-2002)
Блок предохранителей в моторном отсеке (2002 -2007)
| № | Реле |
| R1 | Реле-выключатель по температуре охлаждающей жидкости |
| R2 | Муфта компрессора кондиционера (MG CLT) |
| R3 | Вентилятор системы охлаждения (CDS FAN) |
| R4 | Звуковой сигнал |
| R5 | Фары (HEAD) |
| R6 | Дальний свет (HEAD HI) |
| R7 | Обогрев зеркал (MIR HTR) |
| R8 | Задний отопитель (RR HTR) |
| R9 | Подсветка панели приборов (PANEL) |
| R10 | Передний противотуманный свет (FR FOG) |
| R11 | Зажигание (IG NO.1) |
| R12 | Габаритный свет (TAIL) |

Ошибки VSC, PCS, ABS
- 1, 3, 4, 11 – не задействован;
- 2 – тормозной контроллер (30А);
- 5 – подогревающий комплекс области покоя передних стеклоочистителей (20А);
- 6 – конденсатор генератора (10А);
- 7 – предохранитель сигнализации (5А);
- 8 – подогрев кресел (25А);
- 9 – дополнительная отопительная система (10А);
- 10 – цепь для питания фар на прицепе (30А).
Подписаться: Когда двигатель прогревается, Camry v 40 запускается без использования педали топлива, что позволяет системе управления выполнять удобные настройки дозирования и зажигания.
«Можно утопить даже в луже»: «Критическую» ошибку Toyota Land Cruiser 200 показал эксперт
Оказывается, из-за конструкторского просчёта японских специалистов, прославленный внедорожник можно «утопить» в неглубокой луже, влетев на 50-тысячный ремонт.

Эксперт с YouTube-канала «Тот Самый Перекуп» решил наглядно продемонстрировать эту «критическую», по его словам, ошибку, а также рассказал, как можно уберечь Ленд Крузер 200
от дорогостоящего ремонта. Данный недостаток водитель заметил, когда ехал ночью в дождливую погоду по лужам, стараясь аккуратно проезжать глубокие выбоины.
У его TLC 200 загорелась ошибка VSC, затем – по раздатке и мотору. Чтобы найти источник проблемы, водителю пришлось подключить ко внедорожнику планшет с установленной диагностической программой, которая выдала ему ошибку P00B0 – дефект по блоку управления турбинами. Как оказалось в ходе осмотра машины, виной всему – не самое удачное решение японских производителей.
«Да как им вообще в голову пришло – разместить электронный блок управления турбиной под правый передний подкрылок, да ещё и в том месте, в которое постоянно поступает вода? Так можно любую машину утопить даже в луже», – не сдерживает своего гнева специалист, заявляя, что из-за этого блок может моментально сгореть, потребовав замены, стоимость которой обойдётся в 50 000 рублей.
Подписаться:
Поделиться:
Новости по теме
Выбрать «Сотку» с пробегом не так же просто, как купить новое авто в салоне. Land Cruiser 100 покинул конвейер в 2007-м, и сегодня даже самым свежим…
«Крузак» — полноразмерный рамный внедорожник с мощными двигателями и постоянным полным приводом. За свою 70-летнюю историю он эволюционировал из спартанского…
Самое интересное
00-Land-Cruiser200_zr-01_16
На большинстве моделей Lexus предупреждение Check vsc не несет конкретной информации о какой либо ошибке конкретного узла автомобиля, проблема может быть как в АКПП, так и в двигателе, тормозной системе, неправильно подключенного дополнительного оборудования и т.д.
«Это уже не смешно, это — дико»: LADA XRay Cross «с салона» шокировал сеть качеством сборки

Блок силовых предохранителей (1998-2002)
Салон Если высветился данный код, то значит есть неисправность с обменом данным со шлюзом вспомогательного оборудования. Эту причину можно легко выявить, так как будет невозможным принятие данных от дополнительного разъёма. Операция подтверждения вывода DTC: Включите зажигание (IG) и подождите не менее 10 с. Неисправных участков может быть два:
