Не Горят Фары на Фольксваген Пассат. Ручной тормоз
Не горит дальний свет – ищем причины
Неисправности освещения часто застают автовладельцев врасплох и заставляют поднимать в памяти все имеющиеся знания об электрической части. Так, если не горит дальний свет, приходится срочно принимать меры, ведь подобная неисправность может привести к ряду проблем, при движении в темное время суток, в том числе, и к ДТП.
Чтобы разобраться, почему не горит дальний свет, а впоследствии устранить проблему, важно знать все возможные причины поломки. Некоторые из них могут быть устранены своими руками, но, в ряде случаев, требуется помощь специалистов.
Причин, почему не горит дальний свет, несколько:
- Вышло из строя реле управления. Такая неисправность требует привлечения мастеров СТО. Самостоятельно поменять реле, без наличия необходимых знаний, вряд ли получится.
- Сгорел предохранитель. При обнаружении проблем с головным светом, стоит начинать диагностику с исправности вставки плавкой. В случае ее повреждения, замените предохранитель. Во избежание проблем, стоит иметь несколько запаных деталей различного номинала, в бардачке или багажнике.
- Перегорела лампочка. В современных автомобилях, устанавливаются различные лампы, стоимость и качество которых отличается. Есть достаточно дорогие лампы, и на их покупку решится не каждый автовладелец. Вне зависимости от цены, стоит держать в машине хотя бы одну запасную лампочку. Такая предусмотрительность может спасти, если не горит дальний свет, а нужно срочно куда-то ехать ночью.
Если запасная лампочка отсутствует, сделайте хотя бы минимальные манипуляции. Так, при повреждении источника света в левой фаре, стоит переставить в нее лампочку из правой фары. Это делается для того, чтобы обозначить габариты машины на трассе и повысить безопасность передвижения.
- Поломался выключатель ближнего и дальнего света. При наличии опыта и знаний в ремонте электрической части автомобиля, можно попробовать устранить проблему своими руками. При отсутствии навыков, стоит обратиться на СТО.
Если не горит дальний свет, нельзя отметать проблему с бортовой сетью автомобиля. Вариантов множество — окисление контактных соединений, ухудшение проводимости и даже замыкание в сети. О наличии короткого замыкания свидетельствует перегорание предохранителя (особенно, если оно происходит повторно).
Стоит учесть, что самостоятельный ремонт проводки — трудоемкая задача. Проблема в том, что при коротком замыкании, могут повредиться и близлежащие провода, что только усугубит неисправность. Чтобы быть уверенным в качестве и скорости ремонта, стоит обратиться к мастеру, который специализируется на электрике автомобиля.
Как найти и устранить неисправность
Если вы определили, почему не горит дальний свет, можно приступать к устранению неисправности. Рассмотрим основные рекомендации, применительно к возможным поломкам:
- ЛАМПОЧКИ. На практике, эта причина считается наиболее распространенной. Для оценки целостности некоторых видов ламп, в их демонтаже нет необходимости — достаточно выполнить проверку визуально. В крайнем случае, можно применить специальные устройства. Если диагностика показала неисправность лампы, ее стоит поменять. При выполнении работы, запрещено касаться пальцами стеклянной части лампы, ведь это приводит к снижению срока службы устройства.
- РЕЛЕ дальнего света. При определении причины, почему не горит дальний свет, автовладельцы часто выходят на неисправность реле, через которое подается питание на фару. При отсутствии знаний и опыта, лучше ничего не трогать. Если же определенная база имеется, стоит изучить инструкцию, после чего приступать к ремонту.

Ремонт Фольксваген Пассат: Электрооборудование VW Passat B5
Стеклоподъемники

Фары фольксвагена Пассат б5 — как снять, заменить и отрегулировать их своими руками, тюниг фонарей
Предохранители на «Пассат СС»: где расположены 🦈 Водители уже давно научились подключать прикуриватель и розетку напрямую от АКБ. Это гарантирует возможность питания нагруженного оборудования к бортовой сети.
Ремонт фар и замена ламп VW Passat B5
Фары, используемые на фольксвагене Пассат б5, являются неразборными и, согласно руководству по эксплуатации, ремонту не подлежат.

Помутневшие, пожелтевшие, а также треснувшие фары можно отдать на реставрацию специалистам СТО, или же попытаться восстановить их самостоятельно. Если владелец VW Passat B5 принял решение сэкономить и выполнить ремонт без посторонней помощи, он должен предварительно подготовить:
- комплект полировочных кругов (из поролона или другого материала);
- небольшое количество (грамм 100–200) абразивной и неабразивной пасты;
- стойкую к воде наждачную бумагу с показателями зернистости от 400 до 2000;
- полиэтиленовую плёнку или строительный скотч;
- шлифовальную машину или болгарку с регулировкой скорости вращения;
- растворитель White Spirit, ведро с водой, ветошь.
Последовательность шагов при полировке фар может быть следующей:
Фары тщательно вымываются и обезжириваются.
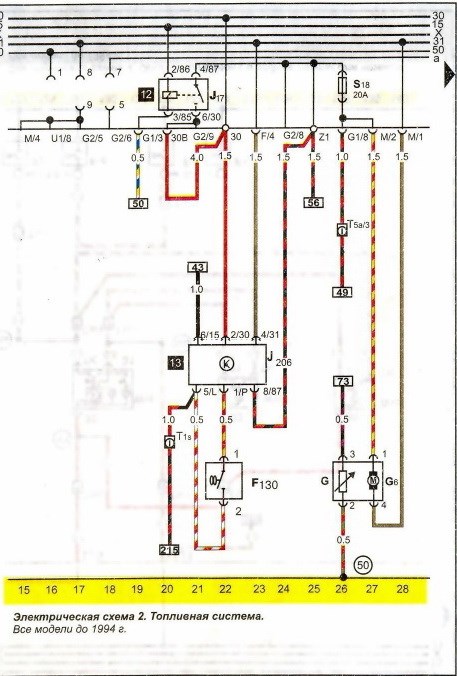
Схема электрооборудования автомобиля Volkswagen Passat (фольксваген пассат)
- передние фары;
- задние фонари;
- указатели поворота;
- фонари заднего хода;
- стоп-сигналы;
- противотуманные фары (передние и задние);
- подсветку номерного знака;
- освещение салона.
Предохранители и блоки реле для Volkswagen Passat B3, B4 (1988-1996) со схемами и описанием Для универсалов и седанов после 2008 г. и для обновленной версии CC защита для цепи прикуривателя расположена в ячейке 41 в блоке со стороны водителя.
Какие предохранители меняют чаще всего
Бортовая электрическая система на «Фольксвагене Пассат СС» довольно надежная: плавкие вставки вылетают редко, но это все же случается. По отзывам владельцем, слабое место – освещение салона и бардачка. Нередко проблемы возникают с прикуривателем и насосом омывателя передних стекол. Больше системных неисправностей не выявлено.
При отключении любого узла, связанного с электричеством, первое, что нужно сделать — проверить предохранитель, который должен разъединить цепь при ее перегрузке.
Для этого нужно определить, какой элемент отвечает за работу вышедшего из строя механизма, после чего подготовить запасной, такого же номинала. Приступая к работе, следует выключить все неработающее оборудование и зажигание.
- Поднять крышку капота.
- Открыть коробку, сдвинув кнопку ее замка вперед. Снять ее движением вверх.
- Требуется осмотреть предохранитель и убедиться, что он перегорел: стал почерневшим или сквозь прозрачную часть видно, что плавкая вставка разрушилась.
- При помощи пластикового пинцета в крышке или другим инструментом аккуратно вынуть вставку.
- На освободившееся место установить новый элемент такого же цвета и номинала.
- Закрыть крышку блока и капот, включить зажигание, проверить работу системы.
- Вставить пластиковую часть ключа или плоскую отвертку в выемку блока, где находится сгоревший предохранитель.
- Из крышки извлечь пластиковые щипцы или воспользоваться пинцетом.
- Вынуть вышедший из строя элемент.
- Осмотреть его, убедиться, что он вышел из строя – почернел или расплавился.
- Заменить его на такой же по цвету и номиналу.
- Закрыть панель блока.
Аналогично производят замену и в дополнительном блоке.

Реле на фары
- Монтажный, где расположены стандартные элементы и реле.
- Главный, в котором находятся плавкие вставки повышенной мощности. Они отвечают за контроль перегрузки генератора, системы ABS, вентилятора на радиаторе охлаждения, рулевого электромеханического усилителя.
Таблица: параметры ламп, которые используются в осветительных приборах VW Passat B5
14.27 Антенна
Внешняя антенна радиоприемника 1 – мачта антенны, 2 – изолирующее основание с антенным усилителем, 3 – антенный провод, соединяющий антенну с панелью приборов, 4 – антенный провод, соединяющий панель приборов с радиоприемником, 5 – гайка, 6 – уплотнение Предупреждение Г.
Схема электрооборудования автомобиля Volkswagen Passat (фольксваген пассат)
Для удобства поиска в пределах страницы, фрагмента схемы, ниже представлены ссылки. Возврат на начало страницы, клавиши Ctrl+Home.
Генератор,аккумулятор, стартер, замок зажигания.

Указатели поворотов и аварийная сигнализация.
Указатели поворотов и задние фонари.
Подсветка номерного знака и переключатель освещения.
Противотуманные фары и фонарь заднего хода.
Обогреватель заднего стекла и звуковой сигнал.
Переключатель освещения, подсветка номерного знака, подогрев сопел омывателя ветрового стекла.
Противотуманные фары и фонарь заднего хода.(Двигатель 2E).
Вентиляторы радиатора и отопителя.(Двигатель 2E).
Обогреватель заднего стекла и звуковой сигнал.(Двигатель 2E).
Очиститель и омыватель заднего стекла.
Датчик минимального уровня охлаждающей жидкости.
Ремонт фар и замена ламп VW Passat B5
Салонный модуль

Реле противотуманных фар: где находится
Прикуриватель Питание аккумуляторной батареи контролируется регулятором напряжения и дополнительным реле, вынесенным на левое крыло автомобиля. Такая конструкция свойственна большинству версий и комплектаций.
Электрооборудование Фольксваген Пассат Б5
14.0 13 Электрооборудование
Стояночные огни 12V/4W Указатели поворотов 12V/21W Сигналы торможения 12V/21W Задние огни 12V/5W Освещение номерного знака 12V/5W Лампы основных фар без противотуманных фар Ближний свет 12V55W (Н7) Дальний свет 12V60W (Н1) Лампы основных фар с противотум.
14.2 Общая информация
С положительным источником питания потребители соединяются проводом, а с минусовым– через кузов автомобиля (массу). Такой метод позволяет уменьшить число проводови упростить монтаж. Электрическая система имеет 12-вольтовое питание с отрицательным заземлением и состоит из аккумулятора, генератор.
14.3. Электрические цепи
(Категория). Список материалов смотрите внутри.

14.4 Предохранители
Расположение блока предохранителей с левой стороныпанели приборов Визуальная проверка целостности предохранителя Использование пинцета для снятия предохранителя Расположение предохранителей на блоке предохранителей Плавкие предохран.
14.5 Правила ухода за аккумулятором
Если Вы собираетесь сохранить работоспособность батареи на протяжении максимальнодлительного периода времени, соблюдайте следующие правила: – при неработающем двигателе выключайте все электрические приборы в автомобиле; – отключение батареи от сети автомобиля начинайте с отрицательного про.
14.6 Проверка аккумулятора
Проверку плотности электролита в аккумуляторе необходимо производить каждые 3месяца для того, чтобы определить нагрузочную способность аккумулятора. Проверка производится плотномером. При определении плотности электролита необходимо учитывать температуру аккумулятора. При температуре электроли.
14.7 Зарядка аккумулятора
Зарядка аккумулятора должна производиться, когда аккумулятор снят с автомобиля. Зарядку аккумулятора производите зарядным током, составляющим 0,1 от емкости аккумулятора и до тех пор, пока плотность электролита в аккумуляторе не будет повышаться в течение 4-х часов. Использование больших ток.
14.9 Система зарядки
Если контрольная лампа зарядки аккумулятора не горит при включении зажигания,проверьте подключение проводов к генератору и целостность контрольной лампы. Еслилампа все еще не горит, проверьте электрическую цепь от генератора до лампы. Есливсе электрические цепи исправны, значит неисправен генер.
14.10 Генератор
Генератор 1 – поликлиновой ремень, 2 – генератор, 3 – регулятор напряжения, 4 – винты, 5 – защитный кожух, 6 – винты Генератор, устанавливаемый на моделях с двигателями 1,6-I и 1,8-I с усилителемрулевого управления и системой кондиционирования воздуха .
Стеклоочиститель
Способы тюнинга фар VW Passat B5 При наличии опции искать элементы следует под приборкой. Элементы могут быть установлены на одном из резервных гнезд. Точное расположение деталей следует искать в руководстве пользователя автомобиля (место установки отличается в зависимости от года и модификации авто).
Обзор Volkswagen Passat B6 с пробегом. На что смотреть при покупке.

Теперь не надо отвлекать внимание на выключение поворотника после перестроения. Летом — прохладные напитки, зимой подогрев замерзшей минералки, по ошибке оставленной в салоне; Мелочь, а приятно. Куча режимов работы, быстро, медленно и так далее. Незамерзайка больше «не воняет».
Постановка дворников в вертикальное положение сервисное или зимнее положение. После остановки двигателя нажмите переключатель дворников один раз — дворники перейдут в вертикальное положение. При начале движения дворники сами опустятся на своё место.
Вентилятор охлаждения
Предохранитель стартера и реле Пассат Б3: где находится Комбинация приборов автомобилей с дизельным двигателем AFN.
