Ошибка Системы Снижения Токсичности Рено Каптур – Неисправности двигателя
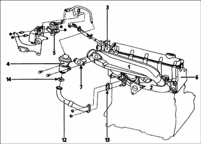
Рециркуляция отработавших газов
Примечание. Следующая процедура применима только к двигателям F8Q. Из-за необходимости использования специального диагностического оборудования Renault для проверки клапана на двигателях F9Q, эту работу поручите СТО Renault.
1. Запустите двигатель и дайте ему прогреться до нормальной рабочей температуры (должен включиться вентилятор охлаждения).
2. При работающем на холостых оборотах двигателе, отсоедините вакуумный шланг от клапана рециркуляции. После чего должен быть слышен щелчок закрывающегося клапана. Если щелчка не слышно, действуйте следующим образом.
3. Проверьте, чтобы имелось разрежение на конце вакуумного шланга, идущего к клапану рециркуляции. Если имеется подходящий манометр, проверьте, чтобы давление было меньше 500 мБар. Если вакуум присутствует, вероятно неисправен клапан рециркуляции (прищемлена или пробита диафрагма). Если вакуума нет, выполните следующие проверки.
4. Проверьте надежность крепления всех соединений шлангов.
5. Проверьте подачу питания на обмотку клапана.
7. Проверьте функционирование микровыключателя системы рециркуляции отработавших газов и системы преднакала как описано в Главе Электрооборудование двигателя.

Ошибка P0420 Renault — эффективность катализатора ниже допустимого уровня
Неисправности и коды ошибок Renault Kaptur. Обзор основных неисправностей Renault Kaptur Подскажите, пож, Рено Сандера Степвей 15г выдает ошибку DF457. В чем проблема? Зарание спасибо!
Серьезные неисправности Renault Kaptur
- Неисправности Renault Kaptur , связанные с вариатором. Такие проблемы нередко возникают даже на небольших пробегах. Основная причина появление неполадок – высокий уровень нагрузок на агрегат, который сочетается с отсутствием обслуживания.
- Проблемы с пыльниками ШРУСа. Неприятности особенно часто происходят на морозе. Отметим, что разрушение кожуха приводит к ускоренному износу элементов самого механизма.
- Проблемы с АКПП. Весьма надежный агрегат требует периодической замены рабочего материала. В противном случае неминуем ускоренный износ подвижных элементов, а также неполадки в работе соленоидов и насоса.
- Неисправности Renault Kaptur , связанные с утечками масла ДВС. Такая проблема наиболее актуальна для бензинового мотора объемом 2.0 литра. Важно оперативно устранять подобные дефекты.

Расшифровка популярных кодов ошибок авто Renault: описание и фото
- Проблемы с уплотнителями дверей. Эти детали нередко достаточно быстро перестают должным образом выполнять свои функции. Они деформируются, слетают с посадочных мест и зачастую пропускают воду в салон.
- Теряют привлекательный вид хромированные детали отделки корпуса. Такая проблема возникает в связи с воздействием солей и реагентов. Нередко подобные проявления заметны уже после первой зимы.
Проверка и замена компонентов систем снижения токсичности отработавших газов дизеля Renault Megane, Снижение токсичности
Катализатор имеет два датчика кислорода. Один из них расположен наверху (на входе выхлопных газов) каталитического нейтрализатора, а второй снизу.
Какие узлы нужно ремонтировать для устранения ошибки?
- Заменить или отремонтировать глушитель Renault.
- Заменить или отремонтировать выпускной коллектор.
- Заменить или отремонтировать выхлопную трубу.
- Заменить каталитический нейтрализатор (наиболее распространенный. Катализатор не ремонтируется).
- Заменить датчик температуры охлаждающей жидкости двигателя Renault.
- Заменить передний или задний датчик кислорода (лямбда зонды не ремонтируются)
- Заменить или отремонтировать поврежденную проводку кислородного датчика.
- Заменить или отремонтировать разъемы лямбда зонда.
- Заменить или отремонтировать топливные форсунки.
- Определить и устранить любые проблемы, связанные с пропусками зажигания.
- Диагностировать и устранить любые другие связанные коды ошибок в PCM.
Если не спешить с устранением проблем в системе зажигания, топливной системой, пропусками зажигания (misfire) в двигателе то они могут привести к повреждению катализатора. Эти причины являются наиболее частыми источниками ошибки P0420. При замене катализатора и датчика кислорода рекомендуется менять их на оригинальные запчасти или на высококачественные, известные бренды.

Как сбросить сервисный интервал на Renault Kaptur своими руками
- Поврежденный глушитель или нарушение герметичности глушителя
- Поврежденный выпускной коллектор или нарушение герметичности в выпускном коллекторе
- Поврежденная выхлопная труба или нарушение герметичности выхлопной трубы
- Пропуски зажигания в двигателе Renault
- Загрязнение маслом катализатора
- Неисправный каталитический нейтрализатор (наиболее распространенный)
- Неисправный датчик температуры охлаждающей жидкости двигателя
- Неисправный верхний или нижний лямбда-зонд
- Повреждение проводки или разъемов лямдазонда Renault
- «Переливающая» топливная форсунка
- Высокое давление топлива
- Использование неправильного вид топлива (с использованием этилированного топлива вместо неэтилированного топлива)
Первые признаки неисправности лямбда-зонда или как проверить датчик кислорода Засекаем время и через два интервала, при которых ранее давление стравливалось до нуля, запускаем мотор. Стартёру не понадобилось и секунды! Открываем кран, давление падает, мотор опять не заводится
