Одна Лампа Горит Ярче Другой на Авто – Опции темы
Тускло светят фары ваз 2114
Ехать почти на ощупь. значит рисковать целостностью своего железного коня: изначально незамеченная яма может серьезно повредить ходовую часть и даже вызвать занос, который не только травмирует ваш автомобиль, но и встречную / каретку.
Почему огни на ВАЗ 2110 и 2114 горят
, необходимо искать причины, чтобы полностью полагать, что этот фактор препятствует нормальному функционированию. Простая замена ламп на более мощные не всегда решает проблему и может быть пустой тратой денег.
READ Неисправности Главного Тормозного Цилиндра Ваз 2107
Самые простые причины обычно наиболее вероятны.
уменьшить освещение на 50%. Протирать их сухой тканью не очень хорошая идея. При таком подходе вы одновременно поцарапаете стекло, что в конечном итоге сделает их тусклое свечение постоянным. Вы не хотите регулярно мыть фары. наденьте омыватель. Кстати, аппарат от Волги вполне подходит для «десятки». Датчики на ВАЗ 2114 Более того, установка довольно проста и сделай сам.
в качестве улучшить фары на ВАЗ 2113, 14, 15 до 20 метров
Простые манипуляции без специальных навыков и фара
20 метров увеличилось! Самая простая настройка чипа. Подробная статья о том, как улучшить фары на ВАЗ-2114. Что делать, если фары светят плохо и вниз. зарегистрироваться
Ваз 2114 улучшает фары.
установка ксенона вместе с галогенными лампами.
Стекло может лопнуть. Если вы заметите трещину на поверхности, вам нужно будет снять фару и заменить ее новой.
READ Не Работает Уровень Топлива Ваз 2114
Если очки в порядке, светящийся отражатель может быть причиной слабого свечения. Неважно, насколько мощная лампа, вы не получаете фару, вы не получаете правильную яркость света. В большинстве автомобилей в этом случае вам необходимо полностью заменить фару; ВАЗ можно заменить только отражателем. И процедура очень проста:
- Фара снимается, когда батарея выключена;
- Стекло снято с него. Это установлено на герметике, который смягчен нагреванием с феном. Затем стекло удаляется и осторожно удаляется;
- Витая лампа;
- Разрушенный отражатель демонтируется, вводится новый, фара перевернута.
Перед установкой стекла обязательно очистите его и корпус от старого герметика и обезжирите его перед нанесением нового слоя.
READ Когда Менять Ремень ГРМ На Лада Гранта
Более низкое напряжение означает, что цепь неисправна. Дефект должен быть идентифицирован и исправлен; установка более прочных светильников перед их ремонтом строго запрещена: это может привести к перегреву и даже неисправности поврежденной области контакта.

Не работают противотуманки ВАЗ 2115, 2114: основные причины неисправности и их устранение
- Освободить минусный провод аккумулятора.
- Не производить замену при работающем двигателе.
- Блюсти время с момента отключения лампы, так как имеет высокую степень накаливания.
- Снимайте лампу без рывков и нажатия, поскольку часто лопаются на мелкие частицы с разбросом, опасным не только для глаз.
- Не создавайте заторы, останавливаясь на проезжей части дороги или обочине в результате непредвиденного исчезновения света. Следуйте до ближайшего пункта технического обслуживания.
- Не злоупотребляйте установкой ксеноновых ламп. Таковые ослепляют водителей встречных машин, усугубляя возникновение дорожных происшествий. Кстати в некоторых странах СНГ таковые запрещены.
Перестали гореть противотуманки на ваз 2114 И так, самая первая, и наиболее распространенная причина — это сгоревший предохранитель.
Основные причины неисправности ПТФ
Наиболее распространенные причины, по которым VAZ 2114 противотуманные фары не работают, следующие:
- Вздутый предохранитель;
- Ослепированная лампочка (I);
- Контакты окислены;
- Там нет контакта с «массой»;
- Кнопка (I) не премьет (y);
- Реле (I) не удалось (y).
Кроме того, возможны другие, более редкие причины, которые мы также считаем ниже.
Итак, первая и наиболее распространенная причина — это вздутый предохранитель.
Каждый свет противотумания имеет свой собственный предохранитель, а именно F9 и F8 на устройстве, каждый из которых предназначен для 7,5 пределе ampera. В некоторых случаях происходит, что предохранители, ответственные за защиту противотуманных фонарей, не в центральном блоке.
Это тот случай, когда автомобиль был куплен вручную, а противотуманные фары были установлены предыдущим владельцем. В этом случае необходимо проверить вход, а не плитка, на которых установлены фары. Очень часто в одиночестве, предохранитель крепится в этом месте.
При замене предохранителя используйте только предохранитель 7.5 A. Предохранитель, предназначенный для более высокого тока, просто не сможет защитить фары против ударов напряжения, а предохранитель, предназначенный для более низкого тока.
Если оба противотуманные фонари не сияют, проблема, вероятно, не лежит в предохранителей, потому что провал обоих защитных элементов довольно редко.
Еще одна причина, почему противотуманные фонари не горит на ВАЗ 2114, может быть обычное горение лампочек. Чтобы проверить это, просто открутите старые лампочки и винт в их месте новым.
Другой, не менее частая причина (особенно в климате центральной зоны) — окисление самих фар. Это очень часто вызывает мигание или прерванную работу лампочек. Чтобы устранить эту проблему, достаточно удалить оксиды, очистка фар легких абразивных бумаги с толстым зерном или расширяя их скважина WD-40, бензин или нефть.
Кроме того, контакт от отрицательного полюса аккумулятора к корпусу автомобиля (для «массы») часто окисляется. Если это произойдет, очистите соединение, как описано выше.
Неисправность реле также может быть причиной того, что не работают задние противотуманные фары ваз 2114. Проверяется так же, как и кнопка — проверкой контактов или заменой реле на новое. Если выяснится, что он пришел в негодность, его тоже необходимо заменить.
Часто причиной выхода из строя фары являются сами фары. Если фары остаются включенными в течение длительного времени. Во время использования отражающий слой может испортиться, отслоиться и попасть на электрические компоненты, что нарушит их нормальное функционирование. Поэтому рекомендуется периодически проверять внутреннее состояние всех фар (не только ПТФ).

Не горят противотуманки на ваз 2114 причины — Автомобильный портал AutoMotoGid
Лампы в фарах

Тускло светят фары ваз 2114
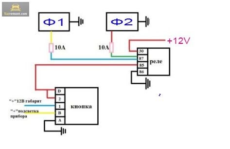
- Прямоугольники розовые 10A — 10-амперные предохранители;
- F1 и F2 — противотуманные фары;
- Значок земли — сочетание с заземлением;
- + 12 В — Выход в терминал «+» аккумулятор.
Перестали гореть противотуманки на ваз 2114 Если же питание отсутствует – его нужно искать, искать обрыв провода. Скорее всего проблема в данном случае банальная – отвалился или заржавел провод.
Вставил – не горит!
Такая же проблема, но немного в другом ракурсе, возникает при установке двухконтактных светодиодных ламп в стоп-сигналы некоторых автомобилей. Вроде бы ставишь – как стоп, сигнал горит. А как габаритка – нет. И так со всеми лампами, которые образуют стопы и габариты (к примеру, на многих моделях их по 4-е штуки с каждой стороны).
Причем, если лампы запитать напрямую от аккумулятора при помощи альтернативных проводков, все прекрасно работает. Ставишь в цоколь – габарит снова не горит. Расположение контактов такое же, как и в обычных лампах, так что дело явно не в этом. В чем же причина?
Кстати, необходимо также знать, что при установке светодиода вместо обычной лампочки очень важно не перепутать минус и плюс. Масса должна подходить строго отрицательная, иначе устройство работать не будет. Но вот, вы проверили правильность подсоединения плюса-минуса, но габариты, как и прежде не горят.
А может быть еще одна причина: напайка на цоколе. Если она поменьше, чем на обычной лампе, которая ранее находилась в разъеме, то пока лампочку светодиода вставляешь – может зажечься под нажимом. Отпускаешь – пружинка поддавливает лампочку вверх, габаритный разъем получается вне контакта, а стоповый – контачит.

Основные причины неисправности ПТФ
Полезное видео

Причины поломки
- Разобрать нерабочий диод. Будет использован цоколь от него;
- Взять светодиод с резистором более мощным (860 Ом или 1 кОм) и вставить в подготовленный цоколь;
- Если вы взяли резистор на 0,25 ватт и 1 кОм, то он может туго влезать в корпус. Его лучше всего будет положить в термоусадке (так, чтобы не коснулся другого вывода);
- Подсоединить лампочку в систему. Все должно работать бесперебойно.
Фотогалерея «Замена противотуманок» Светодиодные лампочки питаются от источника постоянного тока, в автомобиле — аккумулятора. Максимальное напряжение, которое может выдержать прибор, строго нормируется заводом изготовителем.
Схема подключения ПТФ
Но иногда случается так, что ПТФ отказываются включаться, причем не работать может как одна, так и обе фары. Причин того, почему не горят противотуманки на ваз 2114, может быть большое множество, но главная из них — появление окислов или коррозии в важных местах электрической цепи, идущей к фарам.
Перед тем, как рассмотреть все возможные причины более подробно, следует ознакомиться с принципиальной схемой подключения противотуманных фар к бортовой электросистеме автомобиля.

На ней присутствуют следующие обозначения:
- прямоугольники розового цвета 10А — 10-ти амперные предохранители;
- Ф1 и Ф2 — противотуманные фары;
- значок заземления — подключение к массе;
- +12V — выход на «+» клемму аккумуляторной батареи.
Инструкция по демонтажу и замене противотуманной фары
- перегорел предохранитель;
- перегорела(и) лампочка(и);
- произошло окисление контактов;
- пропал контакт с «массой»;
- вышла из строя кнопка;
- вышло из строя реле.
Полезное видео
При замене следует использовать предохранитель исключительно на ток в 7,5 А. Предохранитель, рассчитанный на более высокую силу тока, просто не сможет защитить фары от скачка напряжения, а рассчитанный на более низкий — будет часто перегорать.
Недостаточный контакт на массу
Плохой контакт на массу непосредственно в самих ПТФ также может стать причиной отказа противотуманок. Проверьте крепления фары к кузову автомобиля, при необходимости места соединения, для обеспечения надежного контакта, необходимо зачистить.
Отсутствие подачи напряжения на ПТФ ВАЗ 2114 может быть вызвано обрывом в электропроводке. Для определения местонахождения обрыва воспользуйтесь представленной электросхемой подключения ПТФ ВАЗ 2114.

Нет питания
- Проверяем, идет ли питание на кнопку ПТФ (если горит лампочка включения ПТФ, то здесь все нормально).
- Проверяем питание реле на контакты 30 и 87 (смотрите схему). Провода от этого реле идут на колодки ш7 ш8 монтажного блока (они обозначены).
Если же питание отсутствует – его нужно искать, искать обрыв провода. Скорее всего проблема в данном случае банальная – отвалился или заржавел провод.
Полезные статьи: Какие ПТФ выбрать? – выбираем противотуманки на рынке.
Как установить ПТФ? – устанавливаем ПТФ своими руками на норму.
Кол-во блоков: 15 | Общее кол-во символов: 9026
Количество использованных доноров: 4
Информация по каждому донору:
Схема монтажного блока ВАЗ-2113, 2114, 2115 Вариант №1.
Монтажный блок нового образцаВАЗ-2113, 2114, 2115. Расположение предохранителей и реле.

Предохранитель
- перегорел предохранитель;
- перегорела(и) лампочка(и);
- произошло окисление контактов;
- пропал контакт с «массой»;
- вышла из строя кнопка;
- вышло из строя реле.
Как проверить предохранитель? Готовые комплекты обычно содержат схему установки для ВАЗ 2110. Однако следует понимать, что в процессе может потребоваться внесение корректив. Перед началом монтажных работ, нужно убедиться в наличии места для них.
