Не Горят Поворотники на Ваз Причина. Схема включения
Не работают поворотники и аварийка на ВАЗ-2110, что делать?
None Для начала убедитесь в том, что работают измерительные приборы и контрольные ламы на панели приборов. Если они не работают, то проверьте исправность предохранителя.
Если плюс на выводе есть, то медным проводом соединить выводы 49 и 49А. При исправности соединительных проводов и разъёмов должны загореть все лампы указателей поворотов. Это говорит о том, что неисправно реле поворотов и световой сигнализации.
Если лампы не загорят, а плюс на выводе 49 есть, то возможно есть короткое замыкание в цепи сигнальных ламп и сгорел предохранитель. Короткое замыкание так же может стать причиной выхода из строя реле. В этом случае проверьте исправность предохранителя, а при его перегорании устраните короткое замыкание в цепи сигнальных ламп.

Ваз 2107 инжектор не работают поворотники и аварийка. 16.1 Проверка указателей поворотов и системы аварийной световой сигнализации
Проверка исправности реле поворотов.

Не работают поворотники: почему перестала включаться аварийка, причина. Как проверить реле указателей поворотов, кнопку аварийной сигнализации, где находится предохранитель
- Повороты не мигают, но горят. Такая неисправность свидетельствует о выходе из строя именно реле, в частности, речь идет о его электромагнитной составляющей. Сам электромагнит мог замкнуться в одном из положений, в результате чего он не может вернуться в начальное состояние.
- Поворотные огни мигают очень быстро либо очень медленно. В таком случае проблема может крыться не только в реле. В некоторых случаях неисправность такого рода проявляется тогда, когда водитель использует не соответствующие источники освещения. Так что при покупке новых лампочек нужно удостовериться в том, что они соответствуют номиналу, установленному заводом-производителем авто.
- Оптика не работает вовсе. То есть лампочки поворотных огней не мерцают, на приборке соответствующие индикаторы также не горят. Помимо этого, нет характерных щелчков, которые появляются при включении поворотных огней. При таких симптомах причин проблемы может быть множество, подробнее об их диагностике мы расскажем ниже (автор видео — канал Steel Horse).
Не работают поворотники и аварийка: причины, диагностика и ремонт С ситуацией, когда не работают поворотники и аварийка ВАЗ 2110 или других моделях, сталкивается немалая часть владельцев ВАЗа, и часто проблема застает их врасплох. Наиболее распространенная причина, почему не работают поворотники на ВАЗ 2109, заключается в том, что вышла из строя автомобильная электрика.
Назначение устройства
Изначально следует отметить, что повороты функционируют не так, как прочие световые приборы на автомобиле. Они работают в прерывистом режиме, что обеспечивается посредством такого изделия, как реле(прерыватель) поворотов ВАЗ-2107.
Следует также отметить и тот факт, что помимо прерывистого режима работы, реле поворотов издают звуковые сигналы в виде щелчков, которые помогают водителю. По этим щелчкам водитель понимает, что устройство функционирует в данный момент.
Помимо того, что прерыватель отвечает за функционирование световой сигнализации, необходимой для маневров, так он еще и позволяет им работать в режиме аварийки. На ВАЗ-2107 применяется электронное реле, частота мигания ламп которого зависит от настройки электронной схемы. Выше представлено фото современного электронного реле поворотов, которое используется на автомобилях ВАЗ-2107.

Не работают поворотники и аварийка на ВАЗ-2110, что делать? — автомобильный портал
Ваша ситуация

Диагностика своими силами
- При включении поворотники горят, но при этом не происходит их мерцание. Такой вид поломки связан непосредственно с выходом из строя реле. Для исправления неисправности требуется заменить прерыватель.
- Ускоренное или замедленное мерцание поворотников. Ускоренное мерцание говорит о том, что перегорела спираль одной из ламп. Медленное мерцание свидетельствует о том, что в схеме подключена минимум одна лампа большей мощности, чем рекомендуется. Многие автомобилисты с появлением современных светодиодных ламп стремятся установить их на авто. При установке светодиодных ламп в поворотники наблюдается слишком быстрое их мерцание, это связано с их низкой потребляемой мощностью.
- Устройства вовсе не функционируют. Причина может заключаться в неисправности реле, предохранителя, подрулевого переключателя или кнопки включения аварийки. Схема подключения выполнена так, что питание поворотников проходит через кнопку включения аварийки. Если кнопка неисправна, то и повороты не будут функционировать.
Re: Включаю поворотник — мигает аварийка F1–F20 – плавкие предохранители — практически все цепи автомобиля защищены плавкими предохранителями расчитанными на различный номинальный ток. Исключения составляют следующие цепи: цепь заряда аккумуляторной батареи, цепь генератора(кроме обмотки возбуждения), зажигание и пуск двигателя.»>
Проверка исправности реле поворотов.
None Для начала убедитесь в том, что работают измерительные приборы и контрольные ламы на панели приборов. Если они не работают, то проверьте исправность предохранителя.
Если плюс на выводе есть, то медным проводом соединить выводы 49 и 49А. При исправности соединительных проводов и разъёмов должны загореть все лампы указателей поворотов. Это говорит о том, что неисправно реле поворотов и световой сигнализации.
Если лампы не загорят, а плюс на выводе 49 есть, то возможно есть короткое замыкание в цепи сигнальных ламп и сгорел предохранитель. Короткое замыкание так же может стать причиной выхода из строя реле. В этом случае проверьте исправность предохранителя, а при его перегорании устраните короткое замыкание в цепи сигнальных ламп.

Аварийка
- Еще одна популярная неисправность, связанная с постоянным горением этой лампочки. Причина может заключаться в замыкании самого датчика либо его гибкой шины.
- Лечение: разбираем регулятор, выпрямляем шину и устраняем замыкание.
Re: Включаю поворотник — мигает аварийка Обнаружив реле, потребуется отключить от него провода. Опять же, часто реле попросту «залипает», то есть отключение и повторное отключение позволяет привести устройство в норму. Еще помогает чистка контактов. Если же это не решило проблему, тогда потребуется ремонт или замена данного элемента.
Что в итоге
Прежде всего, перед каждой поездкой желательно проводить проверку светотехнического оборудования автомобиля. Как только выявлены признаки и симптомы неисправности системы поворотной и аварийной сигнализации (например, часто моргает или не горит поворотник), необходимо точно определить причину и устранить неполадки.
Рекомендуем также прочитать статью о том, как поставить ДХО на машину своим руками. Из этой статьи вы узнаете, как правильно установить дневные ходовые огни, каким образом выполняется подключение ДХО, а также на что следует обращать внимание в рамках выполнения подобных работ.
В качестве итога отметим, что исправность оборудования автомобиля является обязательным условием для продолжения эксплуатации. По этой причине каждому водителю необходимо не только проводить плановые проверки и диагностику, но и быть готовым к аварийной ситуации, когда тот или иной элемент неожиданно выходит из строя.

Проверка исправности реле поворотов.
- В данной ситуации лучше попробовать устранить поломку прямо на месте. Для этого необходимо начать проверку с реле поворотников и аварийной сигнализации. Основные трудности могут быть связаны с тем, что указанное реле поворота на разных авто может находиться как под капотом, так и в салоне (в области рулевой колонки или под панелью приборов).
Ремонт указателей поворотов и аварийной сигнализации своими руками В задних фонарях, питание от пучка проводов к лампам, идет через монтажную ленту. В случае не герметичности задних фонарей, на монтажную ленту попадет влага и пыль, что приводит к коррозии участков цепи. В результате чего, даже исправная лампа указателей поворота, гореть не будет.
Ищем поломку своими руками
Первичную диагностику можно провести контрольной лампочкой, но для проверки состояния цепи потребуется тестер. Если вы знаете, как пользоваться мультиметром, то в режиме измерения сопротивления сможете самостоятельно «прозвонить» проводку на предмет обрыва.
Поиск причины, из-за которой перестали работать поворотники и аварийка, следует начинать с изучения электросхемы. Рекомендуем воздержаться от самостоятельного ремонта, если вам незнакомы основы электротехники, методы восстановления проводки.
Если при включении правого/левого поворотника вы отчетливо слышите щелканье реле, проверьте сопротивление участка цепи с подрулевым переключателем. Если не работает только левая либо права сторона, причина точно в переключателе или в проводке цепи от него к лампочкам.
Если реле указателей поворотов не щелкает совсем, проверьте состояние контактов, плюсовой провод и массу. Если после включения зажигания к реле не приходит «+», проблема, скорее всего, в участке цепи от монтажного блока к реле.
Подрулевой переключатель
Причина неисправности может быть как в механическом повреждении пластмассовых либо контактных элементов, так и в образование нагара. В процессе работы поворотников контакты могут подгорать, из-за чего увеличивается сопротивление и падает сила тока в цепи. При этом характерно, что в случае окислов, нагара реле указателей может щелкать, но лампы загораться не будут.
Для ремонта подрулевой переключатель нужно будет снять с рулевой колонки и разобрать. Внутри корпуса располагается множество контактных площадок, поэтому для беспроблемной сборки запоминайте расположение всех подвижных элементов.
Снятие и установка пиротехнических изделий требует соблюдения правил техники безопасности. Поэтому рекомендуем прочитать, как правильно снимать подушку безопасности.
Где находится и как проверить реле поворотников
Реле указателей поворотов находится в монтажном блоке предохранителей в салоне либо под капотом. Точное месторасположение вы можете узнать из руководства по ремонту и эксплуатации вашего автомобиля. Часто с внутренней стороны монтажного блока графически изображено предназначение реле, предохранителей.

Отпаивание элементов со схемы, микротрещины в местах пайки, выход из строя главной микросхемы – наиболее распространенные причины неисправности указателей поворотов.
Аварийка
Кнопка аварийки имитирует подрулевой переключатель поворотов, но замыкает сразу оба контакты (на правую и левую сторону). На видео показано устройство и принцип работы простейшей системы, аналоги которой используются не только на автомобилях ВАЗ.
Самостоятельная диагностика световых приборов автомобиля
Переключатель поворотов

Проблемы со спидометром
- Перегорел предохранитель. Если вместе с поворотниками перестала работать аварийная сигнализация, велика вероятность, что причина именно в плавкой вставке.
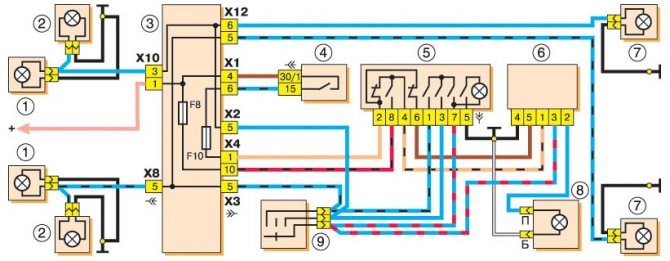
Схема включения
Взамен сгоревшего предохранителя устанавливать следует только вставку соответствующего номинала. Превышение рекомендованного значения, установка «жуков» может привести к возгоранию автомобиля. Поэтому советуем соблюдать правила замены предохранителей!
Перестала работать аварийка
Всем привет,подскажите куда копать.резко перестала работать аварийка,поворотники работают,при сработке сигналки лампочки моргают,а с кнопки аварийки никакой реакции.все предаки вроде целы
Кнопка бывает выходит из строя. 99% она. новая стоит много . бу как правило 500 рэ
Кнопку прозвонить или попросить на опыты у когонить. Если че – есть где то от Импрезы ГД* – 500 р.
А были какие то элементарные попытки проверить или сразу сюда за советом ?
Проверил все предохранители,заехал к электрику,который сказал нужно переделывать питание аварийки,только нафига я так и не понял.всп с завода работало прекрасно и тут вдруг этот Кулибин решил переделать.поэтому и задал вопрос
Электрики они такие) Дык у тебя есть мультиметр ?
Да приехай на разборку, или вон человек отписался есть у него. Поставь посмотри, работает нет , если да, то и купишь сразу!
Ну надо в подписи ставить город)) А так, что разборок нет?
На кнопку аварийки питание приходит по двум проводам с 2 разных предохранителей. С одного питается сама аварийка когда она включена, а с другого – поворотники, когда аварийка выключена.
Еще раз проверь предохранители все. И если проверял мультиметром, то лучше выдергивай по одному и смотри глазами.
А по теме – если негде одолжить кнопку, то мультиметр в руки, мануал перед глазами и последовательно идти по цепи и проверять. Ну или с тем же мануалом к электрикам.
Если на автомобиле не горит только передний левый или задний правый поворотник, причина может быть в перегоревшей лампочке, плохом контакте «массы» фонарей или участке провода к лампочке.

Не работают поворотники на ВАЗ 2109, 2114, 2115
- подрулевой переключатель поворотов. Его функция в замыкании питающего контакта лампочек. К примеру, при повороте переключателя вверх происходит замыкание одного из контактов лампочек правой стороны на «+» АКБ. «Минусом» лампочки является точка подключения к «массе» (общая точка для всех лампочек блок-фары);
- реле поворотников. Внутри корпуса расположено обычное электромагнитное реле, но управляется оно микросхемой. Именно благодаря этому элементу обеспечивается прерывистая подача питания на катушку. Вторая немаловажная функция – контроль исправности ламп. Микросхема имеет функция обратной связи, поэтому при перегорании лампочки она регистрирует уменьшение мощности потребителей и начинает подавать питание на катушку с удвоенной частотой. Если поворотники работают исправно, лампочки моргают примерно 1 раз в секунду. На большинстве современных автомобилях, в том числе и моделях ВАЗ, используется 3-контактное реле указателей поворотов. Соответственно, 1 контакт – «масса», 2 – питание от АКБ, 3 – выход на подрулевой переключатель;
- световая индикация на приборной панели. Одна либо две лампочки (по одной на каждую из сторон) подключаются параллельно электрической цепи основных ламп. Поворотники будут работать и без световой индикации, поэтому среди возможных причин неисправности рассматривать систему не стоит.
Фотогалерея «Схемы авариек и поворотников для ВАЗ 2110 и 2109» Ваз 21093 электрооборудование неисправности
