Ошибка 0123 на Ваз 2112 16 Клапанов – Возможные ошибки
САМОДИАГНОСТИКА КОМБИНАЦИИ ПРИБОРОВ КАЛИНА/ПРИОРА
- При выключенном зажигании нажать на кнопку «Reset» (сброс суточного пробега). Удерживая кнопку включить зажигание.
- Панель приборов перейдет в режим самодиагностики, на дисплее загорятся все позиции сегментов, загорят все индикаторы, а стрелки будут совершать полный путь.
- Кнопкой управления на правом подрулевом переключателе переключаемся между режимами (самодиагностика, версия прошивки, коды ошибок).
- Чтобы сбросить ошибки, нужно находится в режиме ошибок и нажать и удерживать кнопку «Reset» более 3с.
- Выход из режима диагностики происходит автоматически после бездействия в течении 20-30 сек.
Расшифровка кодов ошибок в приборной панели:
- 2-повышенное напряжение бортовой сети;
- 3-ошибка датчика уровня топлива (если в течении 20с определяется обрыв цепи датчика);
- 4-ошибка датчика температуры охлаждающей жидкости (если в течении 20с определяется обрыв цепи датчика);
- 5-ошибка датчика наружной температуры (если в течении 20с отсутствуют показания датчика, индикация на ЖКИ «-С»);
- 6-перегрев двигателя (критерий для срабатывания аккустического сигнализатора выполнен);
- 7-аварийное давление масла (критерий для срабатывания аккустического сигнализатора выполнен);
- 8-дефект тормозной системы (критерий для срабатывания аккустического сигнализатора выполнен);
- 9-аккумуляторная батарея разряжена (критерий для срабатывания аккустического сигнализатора выполнен);
- Е-определение ошибки в пакете данных, заложенном в EEPROM.
| Описание поломки | |
| Р0300 | Блок управления передает сигнал об отсутствии искры во всех цилиндрах двигателя 16 клапанов авто. |
| Р0326 | Некорректный сигнал, поступающий на блок управления с датчика детонации. Рекомендуется произвести более тщательную проверку устройства. |
| Р0327 | В цепи датчика детонации произошел обрыв или замыкание. Следует проверить цепь. |
| Р0335, Р0336 | Возникли ошибки в работе датчика коленчатого вала. Кроме того, такие комбинации могут свидетельствовать о некорректном сигнале, поступающем с устройства на бортовой компьютер. |
| Р0337 | Устройство контроля положения коленчатого вала замыкает на массу. |
| Р0338 | Произошло короткое замыкание или обрыв в цепи датчика коленвала. |
| Р0342 | В цепи датчика фар зафиксирован слишком низкий сигнал |
| Р0343 | Зафиксирован слишком высокий сигнал в цепи того же устройства. |
| Р0422 | Произошла поломка нейтрализатора, рекомендуется заменить устройство. |
| Р0444 | Блоком управления Лада Приора зафиксирован обрыв в проводке клапана адсорбера. |
| Р0445 | Клапан адсорбера закоротил на массу. |
| Р0480 | Произошел обрыв в проводке реле вентилятора, следует произвести проверку реле и при необходимости заменить его. |
| Р0481 | В проводке вентилятора системы охлаждения произошло замыкание. |

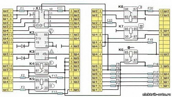
| Расположение реле и предохранителей в монтажном блоке К1 — реле контроля исправности ламп; К2 — реле очистителя ветрового стекла; КЗ — реле-прерыватель указателей поворота и аварийной сигнализации; К4 — реле включения ближнего света фар; К5 — реле включения дальнего света фар; Кб — дополнительное реле; К7 — реле включения обогрева заднего стекла; К8 — резервное реле; F1 — F20 — плавкие предохранители. |
Лада ВАЗ-2110 (2111, 2112). Коды ошибок и неисправностей
- проверить состояния воздушного барьера;
- крепление колодочки проводки с ЭБУ;
- проверить РХХ;
- почистить дроссельный патрубок.
MasteraVAZa » Ваз 2110: ошибки инжектора и расшифровка кодов Причин, по которым в памяти электронного блока управления формируется код ошибки p1602, достаточно много. Не вдаваясь в подробности, для начала кратко перечислим те узлы, агрегаты и контакты, неисправность которых может привести к потере напряжения цепи контроллера и ошибки ЭБУ. Итак:
Электрооборудование и коды ошибок ВАЗ 2110 2111 2112
| Расположение реле и предохранителей в монтажном блоке К1 – реле контроля исправности ламп; К2 – реле очистителя ветрового стекла; КЗ – реле-прерыватель указателей поворота и аварийной сигнализации; К4 – реле включения ближнего света фар; К5 – реле включения дальнего света фар; Кб – дополнительное реле; К7 – реле включения обогрева заднего стекла; К8 – резервное реле; F1 – F20 – плавкие предохранители. |
Большинство предохранителей и реле находятся в монтажном блоке, расположенном в салоне автомобиля левее и выше педального узла. Номинальный ток предохранителей и защищаемые ими цепи указаны в таблице. При выходе из строя монтажного блока возможна замена печатной платы или припайка проводов взамен перегоревших токоведущих дорожек.
Для коммутации основных цепей автомобиля служит комбинированный выключатель (замок) зажигания, состоящий из контактной части и механического противоугонного устройства.

На автомобилях с двигателями 2111 и 2112 имеется жгут проводов системы впрыска топлива, устанавливаемый взамен жгута системы зажигания двигателя 2110 (см. “Система управления двигателями 2111 и 2112”). Реле и предохранители системы впрыска находятся возле контроллера, под консолью панели приборов справа.
| Схема соединений монтажного блока (наружная цифра в обозначении наконечника провода – номер колодки, а внутренняя цифра – условный номер штекера) К1 – КЗ – реле (см. выше). |
Порядок условной нумерации штекеров в соединительных колодках монтажного блока и присоединяемые к ним провода.
| Расположение реле и предохранителей в монтажном блоке К1 – реле контроля исправности ламп; К2 – реле очистителя ветрового стекла; КЗ – реле-прерыватель указателей поворота и аварийной сигнализации; К4 – реле включения ближнего света фар; К5 – реле включения дальнего света фар; Кб – дополнительное реле; К7 – реле включения обогрева заднего стекла; К8 – резервное реле; F1 – F20 – плавкие предохранители. |
Ваз 2112 коды ошибок
- код 0335 говорит о неисправности датчика положения коленвала. Поэтому, увидев на компьютере 0335, нужно проверить, идет ли сигнал от этого датчика. Обнаружив, что сигнал слабый, можно помочь изменением расхода воздуха, если он чрезмерный (выше максимума). После этого ошибка 0335 должна исчезнуть;
- увидев ошибку 0340, знайте, что, скорее всего, неисправен датчик положения распредвала. Хотя на самом деле, если даже высвечивает 0340, сам распредвал может быть исправным, автомобиль работает, как обычно. А вот когда цифры 0340 не исчезают во время работы двигателя, следует тщательно осмотреть данный узел.
Ошибка P018 датчика температуры охлаждающей жидкости Работа по замене происходит при выключенном зажигании. Для начала нужно отсоединить от датчика колодку с проводами. Для этого следует нажать внизу фишки на фиксаторе и аккуратно снять разъем. При этом нужно тянуть не за провода, а за колодку.
Как сбросить ошибку на Гранте
Есть три способа избавиться от значка “Check Engine”:
Используем OBD2 адаптер
Есть на руках качественный диагностический адаптер и нужный софт? Тогда сброс не составит труда. Что делать, если нет программы или диагностического сканера?
Самый простой выход: купить сканер из Китая. Цена – 200-300 рублей. Главное условие: почитать отзывы о совместимости. Будет он читать вашу машину или нет – лотерея.
Как только сканер есть, вставляем его в ОБД разъем слева от бардачка.

Разъем находится в легкодоступном месте слева от крышки бардачка.
На экране появятся сохраненные коды. Там же с помощью Clear logged faults можно сбросить все ошибки и «чек» погаснет. Не навсегда – пока проблема не проявится снова.
Открываем настройки – Коды ошибок – Показать сохраненные.
Вариант, близкий к сканеру – установка бортового компьютера. БК:
Как убрать чек без адаптера
Здесь все проще. Когда под рукой нет OBD или телефона с софтом, нужно просто скинуть клемму с аккумулятора.
Какую клемму снимать – без разницы. Обесточили машину на 5-7 минут и все ошибки должны исчезнуть.
Проблема с методом: срабатывает все реже. Гарантированно сбросит только сканер.
Самодиагностика ваз 2110 коды ошибок.
- Если остается 0, то ошибки отсутствуют
- При появлении 1 — говорит о неисправности микропроцессора
- Обрыв цепи датчика указателя уровня топлива
- Ошибка 4 — повышенное напряжение питания бортовой сети свыше 16 Вольт
- Ошибка 8 — пониженное напряжение, менее 8 Вольт
- При нескольких неисправностях одновременно может выдаваться цифра, которая будет являться суммой вышеприведенных кодов, например 6 (2+4), 10 (2+8), 12 (4+8) или 14 (2+4+8)
Коды ошибок ваз 2110 16 клапанов Самой распространенной причиной P0118 является обрыв и замыкание проводов. Именно поэтому осмотр, проверка контактов и цепи крайне желательная.
Если горит лампочка неисправности инжектора

В некоторых случаях лампочка неисправности инжектора горит до тех пор, пока двигатель не разогревается до 90 градусов.
Обычно эта проблема наблюдается в холодное время года. И хотя, такая неполадка не является слишком серьезной, решать ее придется все равно.
Решить эту ситуацию можно несколькими способами:
- Заменить датчик инжектора. Как правило, если лампочка долго горит, то этот датчик в скором времени сломается из-за перенапряжения в сети.
И в любом случае придется его менять. Так почему бы не сделать этого раньше? Тем более, что этот процесс займет максимум минут 30-40. - Сделать прошивку. Конечно, выполнить ее самостоятельно не получится, но в автосервисе специалисты без проблем все сделают за максимально быстрые сроки.
- Снять клеммы аккумулятора. Возможно, лампочка загорелась, но так и не потухла. И когда в сети больше не будет напряжения, то лампочка точно перестанет светиться.
Примечание: но после подключения клемм обратно, лампочка может снова загораться. В этом случае остается одно – только везти машину в автосервис.
Ошибка Р0102: устраняем неисправность датчика расхода воздуха
- P2135. В этом случае ошибка сигнализирует о неправильном положении дроссельной заслонки. Возможно, между датчиками ослаб сигнал, поэтому они не могут правильно указывать ее расположение.
Если после диагностики было обнаружено, что напряжение одного датчика выше на порог по сравнению с другим, значит ремонта не избежать. - P2122. Один из датчиков педали акселератора показывает слишком низкие значения. При этом в нем наблюдается и чересчур низкое напряжение.
Нужно проверить напряжение в датчике при помощи вольтметра. В случае необходимости, неисправный датчик заменить. - P0201. В данном случае в цепи управления форсунок возможен обрыв. Необходимо диагностировать драйвера, так как возможно ошибка выдается из-за них.
- P0130. Следует проверить, является ли целостной сигнальная цепь.
Для чего предназначен ДМРВ Часто загорается ЧЕК после 3-4 мин работі, а потом через 10-15 мин тухнет. Пытался посмотреть код ошибки — все время высвечивается «0». По звуку и тяге не заметно разницы. Машина — Лада 111, 8 клапанов, инжектор. Прошла 60 тыс км. Бензин А92 на АЗС ОККО.
Как провести ремонт
При обнаружении в памяти ЭБУ OBD P0118 выполняют следующее:
- Активируют зажигание, но ДВС не запускают.
- Подсоединяют к ЭБУ (к его разъему) диагностический автомобильный прибор-сканер ошибок, им же получают данные о параметрах всей системы. Выбирают в меню «t° охлажд. жидк.».
- Если t° антифриза по приборам ниже +135°, то если в памяти блока управления нет иных ошибок, проверяют заземление датчика (целостность проводки, контакты). Схема электроцепи есть в техдокументации ТС и прибора. Заодно проверяют все соединения.
- Отщелкивают колодку (фишку) с жилами. Если устройство и дальше показывает выше +42°, то его сигнальный провод замыкается на «массу» или сломан ЭБУ. Если ниже – то неполадки в самом датчике, в таком случае выход один – замена (но после предварительного дополнительного тестирования).

Датчик ОЖ прямо контактирует с охладителем поэтому, если есть признаки перегрева, вытаскивать его не следует.
Как сбросить ошибку на Гранте
Используем OBD2 адаптер

Ошибка ЦЭКБС или ЦБКЭ
- визуально осматривают датчик ОЖ, его электросистему, провода, контакты, разъем на предмет коррозии, повреждений;
- считывают сохраненную историю работы системы, кодов ошибок, ее данные с помощью специальных диагностических сканеров (OBD, On-Board Diagnostic), например, OBD-II, ELM. Выяснится момент и обстоятельства появления ошибки;
- далее, очищают память контроллера электронной системы управления, осуществляют проверку, тест-драйв. Смотрят, не появится ли снова устраненная проблема;
- наблюдают посредством сканера показания извещателя в онлайн режиме;
- если причина в подгоревших, закисших, отошедших контактах, пробоях на кабеле, подобных незначительных поломках, меняют провода, разъем. Если сломан сам датчик, меняют полностью, его ремонтировать нецелесообразно. Есть также ситуации, когда узел исправен и неполадки кроются в ЭБУ, ЭСУД, тогда потребуется более сложная починка (перепрошивка, замена всей системы).
Коды ошибок ВАЗ 2110, ВАЗ 2111, ВАЗ 2112
ОБД2 диагностический адаптер можно купить за копейки на Алиэкспресс. Увидит ли он вашу машину – лотерея, так как это оборудование непрофессиональное.
