Простое самодельное зарядное устройство для аккумулятора автомобиля

Необходимость зарядки аккумуляторной батареи автомобиля возникает в случае ее разряда, а также периодической подзарядки. Ассортимент зарядных устройств для аккумуляторов сегодня очень велик — в продаже есть ЗУ от разных производителей и с разными характеристиками. Но если вы не хотите тратить деньги на это, то всегда можно сделать зарядку своими руками. В этой статье вы можете ознакомиться более подробно со схемой и инструкцией по изготовлению зарядного устройства для автомобильного аккумулятора.
Описание схемы
Для изготовления простого зарядного устройства для автомобильного аккумулятора своими руками не потребуется много времени и сил. Такое ЗУ без проблем можно сделать дома. Разумеется, если вы никогда не сталкивались с подобной задачей, то, возможно, целесообразно будет потратить деньги и купить уже готовое ЗУ. Но если вы все же решили все сделать своими руками, то для начала предлагаем вам ознакомиться со схемой на транзисторах для изготовления зарядного устройства.

Трансформатор для самодельного ЗУ
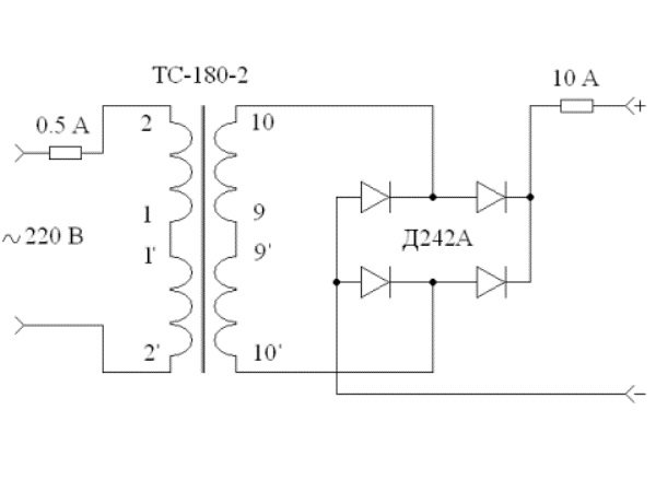
Итак, в основе любого зарядного устройства для АКБ автомобиля лежит силовой трансформатор. Найти такое устройство в продаже будет проблематично, обычно ими торгую на разборках бытовой техники или на рынках. К примеру, силовой трансформатор ТС 180, который будет использоваться в нашей схеме, можно снять со старого черно-белого телевизора. Как показывает практика, сделать зарядное устройство по правильной схеме с таким трансформатором для АКБ авто своими руками вполне возможно.
Итак, что касается схемы. Вышеуказанный трансформатор оборудован двумя вторичными обмотками. Эти элементы рассчитаны на определенное напряжение, составляющее 6.4 вольта, а также ток в 4.7 ампера. Если вы соедините эти обмотки своими руками по последовательной схеме, то показатель выходного напряжение составит 12.8 вольт. На практике такого параметра будет вполне достаточно для того, чтобы подзарядить АКБ авто в домашних условиях.
Чтобы все сделать правильно и в соответствии со схемой, два вывода (9 и 9′) соединяются между собой толстым проводом, а к выходам 10 и 10′ необходимо с помощью такого же кабеля подпаять диодный мост. Следует отметить, что сам мост должен состоять из четырех элементов, которые отмечены на схеме как Д242А, либо другими компонентами, но они должны быть рассчитаны не менее, чем на 10 ампер тока.

Схема для создания зарядного устройства
Инструкция по изготовлению
Инструменты и материалы
Для разработки ЗУ подготовьте:
- паяльник с оловом и канифолью;
- плитку текстолита;
- кабель с вилкой для розетки 220 в.
Этапы
Если вы решили разработать зарядное устройство для автомобильного аккумулятора, то вам будет полезна инструкция, приведенная ниже.
Рассмотрим основные действия:
- В первую очередь необходимо уделить внимание диодам. Эти элементы монтируются на большие радиаторы. В качестве радиатора можно использовать старое устройство от процессора персонального компьютера. Что касается диодного моста для ЗУ аккумулятора авто, то его конструкция собирается на текстолитовой плитке, размер которой будет соответствовать габаритам ЗУ.
- Далее, переходим к трансформаторным обмоткам. Первичные компоненты будущего ЗУ для аккумулятора авто нужно соединить своими руками последовательным образом. Между контактами 1 и 1′ устанавливается перемычка. Что касается контактов 2 и 2′, то к ним необходимо подпаять заранее подготовленный кабель с вилкой для обычной квартирной розетки. Чтобы защитить схему от замыканий, желательно будет дополнить ее предохранителями. В первичную цепь монтируется предохранитель на 0.5 ампера, а во вторичную — на 10 ампер.
- Теперь перейдем к проводам, которые необходимы для изготовления ЗУ аккумулятора авто. Зарядное устройство должно быть оснащено кабелями, сечение которых не менее 2.5 мм. Что касается радиаторов для диода, то их размер должен составить не меньше 30 см квадратных для каждого диода. Поскольку вторичные элементы рассчитаны на работу с током в 4.7 ампера, зарядные ток ни в коем случае не должен превышать данный показатель, тем более, на протяжении долгого времени. Также следует учесть то, что уровень напряжения на клеммах АКБ авто должен быть не более, чем 14.5 вольт. Этот параметр особенно необходимо учитывать в том случае, если речь идет об изготовлении ЗУ для не обслуживаемого аккумулятора авто.
- Вам необходимо ограничить уровень зарядного тока. Чтобы сделать это правильно своими руками, необходимо последовательно подключить лампу на 12 вольт, мощность которой составит до 60 ватт. Эта лампа должна быть установлена в месте разрыва минусового кабеля. Учтите, чем меньше показатель мощности лампочки, тем ниже уровень зарядного тока. Чтобы вы всегда могли контролировать основные параметры ЗУ аккумулятора, своими руками также можно подключить амперметр, в данном случае предел измерения должен составлять не меньше 10 ампер. Можно дополнительно установить амперметр для контроля уровня напряжения, он должен измерять параметр не менее, чем на 15 вольт. Также есть вариант подключить комплексное устройство — мультиметр (автор видео — Pavel Zhidovkin).
Зарядка АКБ самодельным зарядным устройством
Чтобы не допустить проблем в эксплуатации АКБ, необходимо правильно осуществлять зарядку устройства:
- Всегда внимательно подключайте клеммы аккумуляторной батареи. Помните о том, что ни в коем случае нельзя допустить того, чтобы клеммы были перепутаны. То есть минус всегда подключается к минусу, а плюс — к плюсу. В противном случае вы можете спровоцировать выход из строя батареи.
- Что касается проверки на искру, то несмотря на советы многих «специалистов» в сети, этого делать нельзя. Проверять работоспособность девайса ни в коем случае нельзя путем замыкания кабелей, это может губительно отразиться на его функциональности в будущем.
- При подключении и отключении ЗУ от аккумуляторной батареи, устройство всегда должно быть отключено от сети.
- Теперь что касается изготовления самого ЗУ. Во время его производства, да и эксплуатации в целом, необходимо быть максимально осторожным. Соблюдайте все нормы техники безопасности, особенно при работе с электрическими элементами. Если вы допустите ошибки при сборке ЗУ, вы можете не только уничтожить аккумулятор, но и травмироваться, поэтому необходимо быть аккуратным.
- Поскольку ЗУ является самодельным, во время его эксплуатации за ним всегда нужно следить. Зарядку нельзя оставлять без присмотра, а тем более уходить из дома, пока заряжается АКБ.
Даже не пробуйте зарядить аккумуляторную батарею, если она полностью разряжена, напрямую, то есть без лампы. Если это произойдет, то уровень зарядного тока может быть слишком большим, соответственно, ЗУ сломается. Когда уровень тока снизится, лампу можно извлечь и заряжаться батарею дальше, однако уровень напряжения всегда необходимо контролировать.
Помните о том, что уровень тока всегда будет снижаться, а вот уровень напряжения, в свою очередь — увеличиваться. Если вы заметили, что этот показатель приблизился к 14.5 вольтам, то процесс зарядки необходимо завершить. В противном случае из электролита начнет выкипать жидкость, а вот пластины АКБ полностью оголятся, в результате это приведет к поломке батареи с невозможностью ее восстановления.
Видео «Как соорудить ЗУ в домашних условиях»
Инструкция по изготовлению представлена на видео (автор видео — SDELAJ SAM).
Извините, в настоящее время нет доступных опросов.