Не Горят Габариты Фольксваген Пассат б6. Блок в салоне
Блок предохранителей
Расположен в торце панели приборов со стороны водителя за защитной крышкой.
На обратной стороне крышки должна быть актуальная схема с назначением предохранителей либо брошюра с описанием.
За прикуриватель отвечает предохранитель номер 33 на 15А. А за бензонасос — 28 на 15А. Напомним, что за подачу топлива так же отвечают еще несколько элементов.
Основной блок реле
Он находится под панелью, со стороны водителя, не далеко от рулевой рейки.
| Реле звукового сигнала |
| Промежуточное реле контакта Х |
| Реле стеклоочистителей |
| Реле топливного насоса Реле свечей накаливания |
| Свободное |
| Свободное |
| Предохранитель |
| Предохранитель |
| Реле вентилятора радиатора (Кондиционер) |
| Реле муфты сцепления |
| Реле магнитной муфты (Кондиционер) |
| Реле кондиционера |
| Реле топливного насоса на дизельных двигателях |
| Реле внешнего освещения Оборудование такси |
| Реле фар |
| Реле свечей накаливания |
| Свободное |
| Реле противотуманных фар |
| Реле средств связи |
| Реле стартера |
| Реле блокировки стартера |
Дополнительный блок реле
Устанавливается на машины с повышенным уровнем электро оснащенности и носит название восьми — контактного. Находится за основным блоком реле.
| Свободное |
| Реле ABS/EDS/ESC |
| Реле ABS/EDS/ESC |
| Реле вентилятора 80 Вт Реле вентилятора 300 Вт, 1 ступень |
| Реле вентилятора для максимальной скорости |
| Реле вентилятора 300 Вт, 2 ступень |
| Предохранитель вентилятора, 5А |
| Предохранитель вентилятора, 30А |
| Предохранитель гидравлического насоса, 50А |
Блок под капотом
Расположен под защитной крышкой, рядом с блоком управления.
- Реле питания модуля управления двигателем Motronic (167), код двигателя BDP
- Реле насоса вторичного воздуха (AIR) (373), (100)
- Блок питания модуля управления двигателем Motronic (429), (219) / Реле насоса вспомогательной охлаждающей жидкости (ЕС) (53), (411)
Назначение предохранителей
| B | 10А Предохранитель для форсунок (S116) |
| B | 5А Предохранитель насоса вспомогательной охлаждающей жидкости двигателя |
| D | 50А Предохранитель насоса вторичного воздуха (S130) |
| E | 40А Предохранитель для клеммы катушки зажигания (S115) |
| F | 5А Предохранитель модуля управления двигателем (ECM) (S102) |
| G | 10А Предохранитель электроники двигателя (S282) |

Расшифровка ошибок приборной панели ФОЛЬКСВАГЕН: обозначения на приборной панели
- когда сила тока меньше или равна предусмотренному значению, плавкая вставка нагревается равномерно и успевает рассеивать тепло;
- при превышении значения происходит перегрев материала, металл плавится и разрушается.
Блок предохранителей и реле Volkswagen Passat B5, их описание Если этот индикатор постоянно горит, выключите двигатель и выньте ключ. Подождите 30 секунд и перезапустите двигатель. Если индикатор продолжает гореть или мигать, обратитесь к специалисту по ремонту или, если автомобиль вибрирует или вялый, обратитесь за помощью на дорогу.
Схема электрооборудования автомобиля Volkswagen Passat (фольксваген пассат)
Для удобства поиска в пределах страницы, фрагмента схемы, ниже представлены ссылки. Возврат на начало страницы, клавиши Ctrl+Home.
Генератор,аккумулятор, стартер, замок зажигания.

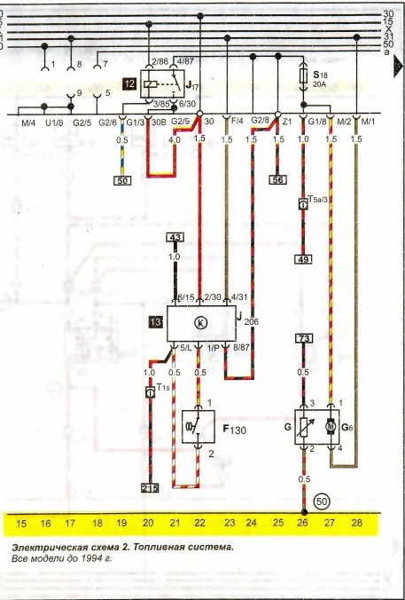
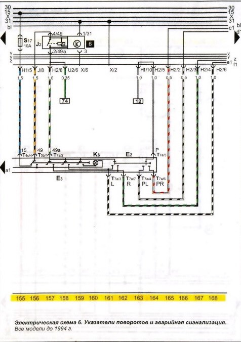
Указатели поворотов и аварийная сигнализация.
Указатели поворотов и задние фонари.
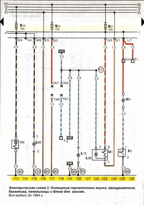
Подсветка номерного знака и переключатель освещения.
Противотуманные фары и фонарь заднего хода.
Обогреватель заднего стекла и звуковой сигнал.
Переключатель освещения, подсветка номерного знака, подогрев сопел омывателя ветрового стекла.
Противотуманные фары и фонарь заднего хода.(Двигатель 2E).
Вентиляторы радиатора и отопителя.(Двигатель 2E).
Обогреватель заднего стекла и звуковой сигнал.(Двигатель 2E).
Очиститель и омыватель заднего стекла.
Датчик минимального уровня охлаждающей жидкости.
Блок предохранителей и реле Volkswagen Passat B6, их описание
Схема электрооборудования автомобиля Volkswagen Passat (фольксваген пассат) регулировка чувствительности микрофона (Nokia)
77 блок -> Адаптация — 10 -> Канал:
001 — Громкость телефона
Значения:
0 = -6 dB
3 = -3 dB
5 = -1 dB
6 = ±0 dB
7 = +1 dB
9 = +3 dB
12 = +6 dB
Схема предохранителей Пассат Б5

Расшифровка всех элементов конструкции монтажного блока приведена в таблице. Салонная часть:
Отдельно следует рассмотреть релейные выключатели. В плоскости R.
| Номер | Назначение |
| 1 | Вентилятор радиатора |
| 2 | Сцепление |
| 3 | Магнитная муфта компрессора кондиционера |
| 4 | Питание системы кондиционирования |
| 5 | Топливный насос на дизелях |
| 6 | Подсветка салона |
| 7 | Фары |
| 8 | Свечи накаливания |
| 9 | Не используется |
| 10 | ПТФ |
| 11 | Релюшка бортовой системы связи |
| 12 | Питание стартера |
| 13 | Блокировка стартера |
Также требуется рассмотреть силовые предохранители, смонтированные под капотом автомобиля.
| Номер | Маркировка | Назначение |
| R1 | 167 | Модуль управления двигателем |
| R2 | 373/100 | Насос забора вторичного воздуха |
| R3 | 429/219 или 53/411 | Питание модуля управления ДВС или дополнительного насоса ОЖ |
| 1В | 116 | Форсунки |
| 2В | Вспомогательный насос ОЖ | |
| D | 130 | Насос вторичного воздуха |
| Е | 115 | Плюс катушки зажигания |
| F | 102 | ЭБУ |
| G | 282 | Электроника силовой установки. |
Предохранитель и реле кондиционера
Система разделена на три части. Силовые линии питаются от вставок 3 и 15 салонного блока. Управляющая магистраль проходит от плавкой защиты №25.
За работу муфты компрессора кондиционера и ее непосредственное включение отвечает реле номер 3. За остальные части климата реле 4.
Блок комфорта
Работа систем контролируется предохранителем 38. В дополнение им поставлен №17.
Реле и предохранитель вентилятора охлаждения Passat B5
Вентилятор радиатора контролируется релюшкой 1 салонного блока. Подобное расположение неизменно с 1999 года.
Печка
Предохранитель отопителя с 1995 года выпуска устанавливается на стандартной позиции 25. В отдельных модификациях место установки элемента может незначительно отличаться.
Бензонасос
Топливный предохранитель смонтирован на позиции 28. Реле насоса на бензине и дизелях стоит в разных местах. Обычно это 4 и 5 соответственно.
Читайте также: Контактно транзисторное зажигание своими руками. Принцип работы коммутатора зажигания, какие виды бывают и как проверить неисправность. Что собой представляет и каков принцип работы коммутатора зажига
Предохранители и блоки реле для Volkswagen Passat B3, B4 (1988-1996) со схемами и описанием
Дополнительный блок реле

Прочие индикаторные лампы
- Реле низкой мощности свечей подогрева охлаждающей жидкости.
- Реле высокой мощности свечей подогрева охлаждающей жидкости.
- Реле контакта 30.
- Предохранитель водяного насоса, двигатель AGZ.
- Предохранитель системы управления двигателем, 15А.
- Предохранитель свечей накаливания, 80А.
- Предохранитель свечей подогрева охлаждающей жидкости, 25А.
- Предохранитель свечей подогрева охлаждающей жидкости, 50 А.
Основной блок реле Канал 003 – Выборочное открытие водительской двери (1-вкл, 0-выкл)
Расшифровка блоков предохранителей Passat B3
Для удобства восприятия, информация приведена в форме таблицы. Предохранители:
Реле и предохранители бензонасоса Пассат Б3
За топливный насос отвечает элемент 18. Стоит в стандартном ряду под приборной панелью. Также на В3 есть силовое реле №12. Когда деталь сильно греется и отказывает, она характерно трещит. Машина плохо заводится или отказывается запускаться вообще.
Подобная система применяется на двигателях, где монтируется моновпрыск и аналогичные конструкции.
Предохранитель стартера и реле Пассат Б3: где находится
Конструкция пусковой установки и ее органов управления аналогична тем, что применяются на других авто производителя. Главное реле подает питание на стартер. Далее происходит стандартный процесс. Также в конструкции есть дополнительная релюшка. Найти ее можно по характерным щелчкам.

Отдельно следует рассмотреть втягивающее реле. Ремонт детали нередко оказывается с нулевым результатом. Следовательно, при поломке выполняется замена прибора целиком. Цена детали колеблется от 500 до 1000 рублей.
Реле поворотов
Вентилятор охлаждения
Предохранитель включения вертушки радиатора на низкой скорости находится на позиции 13. За высокую скорость вращения отвечает плавкая вставка 19. Реле выведены на крылья автомобиля.
Звуковой сигнал
На авто с 1990 года предохранитель клаксона устанавливается на позиции 13. Релюшка смонтирована под номером 11. Штатное обозначение релейки – 53.
Печка
За работу отопителя отвечает предохранитель 6 салонного блока. В комплектации без кондиционера, релюшка силовой магистрали монтируется под приборкой.
Предохранитель прикуривателя
В версии СС и других, распространенных модификациях смонтирован на позиции 21. В 2013 году на рынке появились усиленные версии, способные выдержать перегрузки, связанные с подключением дополнительных устройств.
Водители уже давно научились подключать прикуриватель и розетку напрямую от АКБ. Это гарантирует возможность питания нагруженного оборудования к бортовой сети.
Реле на фары
В монтажном блоке отсутствуют, они устанавливаются возле фар. С 1989 года у водителей стало популярно дополнительное реле. Разгрузочные элементы в последних версиях стали обязательными, они позволяют выровнять рабочее напряжение и предотвратить перегорание элементов.
Дворники
Стандартные предохранители для заднего и переднего очистителя устанавливаются на позициях 4 и 5 соответственно. Также здесь имеются реле 2/8. В большинстве модификаций, переключатель имеет артикул 99.
Ближний свет
Для питания фар в машине устанавливается два набора предохранителей. В большинстве версий это вставки 1/2 для левого и правого набора фар. Реле устанавливаются под капотом.
| Окраска корпуса | Максимально допустимая сила тока в цепи, в Амперах |
| Оранж | 40 |
| Зеленый | 30 |
| Прозрачный | 25 |
| Желтый | 20 |
| Голубой | 15 |
| Алый | 10 |
| Коричневый | 7,5 |
| Беж | 5 |
| Виола | 3 |
Центральный замок
- Обесточить машину.
- Снять облицовочную крышку монтажного блока.
- Отжать крепежные клеммы и потянуть панель на себя.
- Далее потребуется перевернуть модуль и отключить контактные группы проводки.
- После этого можно снять панель с автомобиля.
Реле и прерыватели слева под панелью приборов Поворотные туманки (если противотуманные фары установлены на машине)
09 блок -> Кодирование — 7 -> Длинное кодирование -> заходим в 23 байт отмечаем 2й бит и выбраем из списка ниже — 08 Включение поворотных огней через ПТФ
Предписывающие индикаторные лампы

Если этот индикатор горит, проверьте, что ручной тормоз не включен. Если он применяется, снимите его и продолжайте движение.
Если он не включен или индикатор продолжает гореть, проверьте уровень тормозной жидкости. Если он находится на неправильном уровне, долейте его до нужного уровня.
Если индикатор продолжает гореть, обратитесь в сервисный центр.
Если этот индикатор загорается, аккуратно подъезжайте в автосервис и диагностируйте и устраняйте неисправность. Проблемы с этими системами могут не повлиять на работу автомобиля, но очень важны для вашей безопасности.
Если вы можете запустить двигатель, когда этот индикатор горит, обратитесь к специалисту по ремонту, так как есть проблемы с электрическими компонентами автомобиля. Избегайте использования избыточного электрического оборудования, чтобы не разрядить аккумулятор. Если вы не можете запустить двигатель, обратитесь в службу поддержки на дорогах.
Если этот индикатор горит красным, не выключайте двигатель, так как он может не включиться снова. Если индикатор горит красным или желтым, обратитесь к специалисту по ремонту, чтобы диагностировать и устранить проблему.
Если этот индикатор горит красным, обратитесь к специалисту по ремонту. Если он горит желтым, то неисправность менее серьезна, и вы можете самостоятельно доехать до сервиса для проверки системы,при этом двигайтесь осторожно.
Магнитола
- Красная подсветка указывает на проблему, требующую немедленного решения.
- Оранжевая подсветка чаще указывает на менее серьезную проблему, например, требуется обслуживание транспортного средства.
- Другие цвета символов, такие как синий и зеленый, дают водителю дополнительную информацию. Мигающие сигнальные огни информируют водителя о неотложной проблеме.
Зарядка Система разделена на три части. Силовые линии питаются от вставок 3 и 15 салонного блока. Управляющая магистраль проходит от плавкой защиты №25.
Блок предохранителей и реле в моторном отсеке фольксваген пассат б6
Расположен около аккумуляторной батареи.
Реле и предохранители в блоке В (кроме моделей с двигателями АХХ, AXZ и ВКХ)

| Реле | Назначение |
| А1 | Реле подачи напряжения клеммы 30. J317 (458) |
| А2-А4 | Свободно |
Реле электрического топливного насоса №2 (ВКС. BMP), J49
Э/м клапан управления давлением наддува (ВКС, BMP), N75
Клапан охладителя системы EGR (ВКС, BMP), N345
Контрольный клапан 1 впускного распределительного вала (BLF, BLR. BLY), N205 Клапан заслонки впускного трубопровода (BLF, BLR, BLY), N316
Блок управления вентилятором радиатора (J293) Э/мотор заслонки впускного трубопровода (ВКС). V157
Нагреватель посткаталитического лямбда-зонда 2 (BLR), Z30
Посткаталитический лямбда-зонд (BLR, BLY), G130
Предохранители в блоке A (клемма 30)
Для моделей с генератором 180 А; установлен в электро проводке генератора
| Реле | Назначение |
| 1 | Реле дополнительного отопителя, J485 (53) |
| 2 | Свободно |
| 3 | Реле вентилятора подачи свежего воздуха, J13 (404), только модели с дополнительным отопителем |
| 4 | Свободно |
| 5 | Реле топливного насоса №2. J49 (404), только дизельные модели |
| 6 | Реле омывателей фар. J39 (53) |
| 7 | Реле подачи напряжения клеммы 50. J682 (433) |
Блок под капотом
Предохранитель прикуривателя

Схема распиновки предохранителей Фольксваген Пассат
Предохранитель и реле стартера Расположен под защитной крышкой, рядом с блоком управления.
