Не Горит Подсветка Печки Форд Фьюжн. Предохранители под капотом
Замена лампы дополнительного верхнего стоп-сигнала (для применения на моделе Ford Fusion)
#лампа_дополнительного_верхнего_стоп_сигнала #электрооборудование_автомобиля #Ford_Fusion #Форд_Фьюжн
1. Выключаем зажигание и все электропотребители и извлекаем ключ из замка зажигания.
Примечание:
При необходимости воспользуйтесь плоской отверткой.
4. Далее, поочередно вставляем плоскую отвертку в отверстия и аккуратно, чтобы не повредить, отжимаем фиксаторы корпуса верхнего стоп-сигнала.
5. Закрываем дверь багажного отделения и, потянув на себя, …
… извлекаем корпус верхнего стоп-сигнала из двери багажного отделения.
6. Теперь можно заменить перегоревшую лампу.
7. Извлекаем перегоревшую лампу из патрона, потянув ее в сторону. Удаляем лампу в отходы.
8. Берем новую лампу, с аналогичными характеристиками (маркировка — W16W), …
… и вставляем ее в патрон до упора. При необходимости удаляем тканью отпечатки пальцев со стеклянной поверхности лампы.
9. Включаем зажигание и проверяем работоспособность новой лампы.
10. После замены ламп(ы) до характерных щелчков аккуратно вставляем верхний стоп-сигнал в дверь багажного отделения.
11. Открываем дверь багажного отделения и обратно устанавливаем две резиновые заглушки.
12. Закрываем дверь багажного отделения.

Ремонт Ford Fusion: Расположение предохранителей, плавких вставок и реле и их замена
- На карте стоит ограничение на оплату покупок в интернет
- Пластиковая карта не предназначена для совершения платежей в интернет.
- Пластиковая карта не активирована для совершения платежей в интернет.
- Недостаточно средств на пластиковой карте.
Что делать, если не работает печка на Ford Fusion Модуль освещения выполнен через реле 4, установленный в салоне. Блок осветителей контролируется элементом FE.
Особенности эксплуатации Форд Фьюжн
Первой особенностью машины является жесткость подвески и ее короткий ход. Такой недостаток весьма распространен в европейской технике, но в данной ситуации жесткость выражается довольно сильно. Повороты проходятся почти без крена, но небрежная езда модели совсем не по нраву, как и ямы.
На высоких скоростях Фьюжн склонен к раскачке и высокой парусности, также заметны проблемы с шумоизоляцией. В салоне имеются сверчки, иногда не работает задний дворник, так как автоконцерн сэкономил на деталях и использовал бюджетные решения. Такая ситуация может быть решена посредством силиконовой смазки. Некоторые владельцы также отмечают загрязнение моторного отсека при передвижении по лужам.

Устранение неисправностей печки Ford Fusion. Устранение неисправностей печки Ford Fusion Особенности эксплуатации Форд Фьюжн
Поломка вентилятора отопителя

Форд фьюжн тормоза не горят
- Недостаточная шумоизоляция и наличие сверчков в салоне.
- Излишне жесткая подвеска.
- Не заводится двигатель в мороз.
- Руль не имеет регулировки по вылету.
- Отсутствие дополнительного подлокотника.
- Открытие лючка бензобака происходит с помощью ключа, что приводит к замерзанию в холодную пору.
- Довольно слабое лакокрасочное покрытие. могут поскрипывать.
Предохранители Форд Фьюжн и реле с описанием назначения и схемами блоков У Форд Фьюжн второго поколения наблюдаются свои особенности:
Советы для автомобилистов
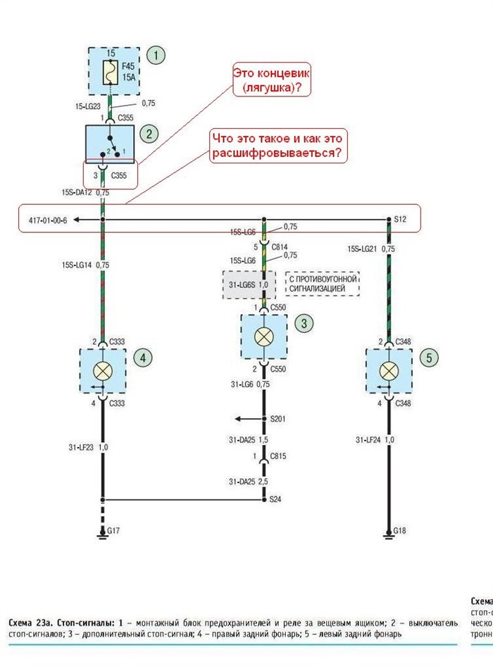
Владельцам транспортных средств, у которых не работает сигнализация торможения, опасно продолжать движение, особенно на оживлённых магистралях. Неработающие «стопы» впереди едущего автомобиля могут ввести в заблуждение других участников движения. В таких случаях возможно возникновение аварийных ситуаций.
Для правильного составления алгоритма поиска проблемы, необходимо определиться с видом неисправности. Может возникнуть следующая ситуация:
- Не работают все имеющиеся сигналы торможения, включая дополнительный «стоп»;
- Не горит один из основных «стопов»;
- Не включается дополнительный стоп сигнал.
- Исходя из этого, составляют примерный план поисков неисправностей.
- Поиск неисправностей
При проверке подсоединяют один щуп измерительного прибора к «массе» машины, а другим проверяют наличие питания. Контрольную лампу подключают аналогичным образом. Для проверки нужен помощник, который нажмет педаль тормоза. Получают один из двух результатов:

Проблемы при оплате банковскими картами
Особенности эксплуатации Форд Фьюжн

Блок предохранителей в салоне
- Не работает ближний свет в правой фаре Форд Фьюжн – 2 ответа
- Передняя фара не горит, какая лампа нужна? – 2 ответа
- Не горят фары Форд Фьюжн – 1 ответ
- Замена лампочки габарита передней правой фары – 1 ответ
Омыватель лобового стекла 10. После замены ламп(ы) до характерных щелчков аккуратно вставляем верхний стоп-сигнал в дверь багажного отделения.
Утечка тосола

- отсоединяем отрицательную клемму АКБ;
- сливам антифриз;
- снимаем приводной ремень ГРМ (важно: после этой операции вращать коленвал ни в коем случае нельзя, поскольку это может привести к поломке клапанов, снятие ремня требуется для машин, выпущенных после 2004 года. На более ранних моделях натяжной ролик стоит на ГБЦ);
- снимаем также ремни, являющиеся приводом для других агрегатов и узлов;
- демонтируем генератор;
- снимаем корпус приводного ремня;
- откручиваем помпу, крепящуюся к двигателю 6 болтами. При снятии следим, чтобы ОЖЭ не попала на ремень;
- удаляем также уплотнительную прокладку;
- при установке новой прокладки смазываем её герметиком, прикручиваем новый насос;
- выполняем все остальные операции в обратной последовательности;
- заливаем новую (желательно) или старую охлаждающую жидкость (если она не загрязнена), устраняем завоздушенность стандартным методом (на бугорке).
А теперь поговорим о неисправностях, из-за которых воздух не попадает в салон.
Поломка помпы
Сломан или слетел тросик привода заслонки

Предохранитель АБС: где стоит
- неисправности, при которых в печной радиатор не доходит теплоноситель;
- проблемы с подачей воздуха в салон;
- неисправности электрооборудования, управляющего работой печки.
Задний ход Агрегат довольно дорогой, так что при приобретении подержанного Fusion следует опросить владельца, когда была выполнена крайняя замена бензонасоса. Во время активации зажигания нужно прослушать на предмет посторонних свистов и скрежетов в работе бензонасоса. Форд Фьюжн не заводится на морозе именно из-за отказа данной детали.
Ремонт вентилятора печки в Форд Фьюжн

Сегодня мы узнаем, как правильно снять, разобрать и отремонтировать вентилятор печки (отопитель) на автомобиле Форд Фьюжн своими руками. Стоимость такой работы в сервисном центре начинается от 2500 тысяч рублей. Перед началом разборки хорошо прогрейте салон, если делать это зимой, пластиковые клипсы на морозе легко ломаются и лопаются.
Многие владельцы этой машины сталкиваются с проблемой, что с морозом вентилятор печки начинает неприятно свистеть, у кого-то этот свист постоянный, у кого-то только в сильный мороз. Обычно помогает простая очистка и смазка. Подшипников в вентиляторе нет, втулки стальные. Вентилятор расположен перед салонным фильтром, поэтому через него проходит большое количество пыли и грязи.
Мы пересели на переднее пассажирское сиденье. Открываем бардачок и вытаскиваем оттуда все лишнее, крестовой отверткой откручиваем два фиксирующих винта:
Теперь нам понадобятся две плоские отвертки, на внутренней стороне бардачка есть два отверстия, в которые нужно вставить наши отвертки и отогнуть защелки в сторону лобового стекла, примерно на 1 см:
Вынимаем наш бардачок, под ним видим картинку, на которой нужно отсоединить один из тросов рециркуляции, нажимаем на его защелку (обозначен красным):
С центральной консоли снимаем боковой пластик, для этого откручиваем этот пластиковый винт:
Снимаем накладки с внутренних защелок. Снимаем бардачок, для этого открываем его, затягиваем боковые крепления и приподнимаем. Откручиваем два винта блока предохранителей 10 и опускаем его:
Так же видим пластиковый воздуховод, который нам нужно снять, он крепится саморезом к металлической балке, нам понадобится шестеренка Torx T25. Снимаем воздуховод. Далее отсоединяем разъем с кабелями (где зеленый кабель) и откручиваем винты, которые держат заслонку рециркуляции воздуха:
Магнитола
Засорён салонный фильтр Будет полезно: Что такое центральный замок в автомобиле: особенности, выбор, установка
Типичные поломки и их признаки
Если на Форде Фьюжен не работает блокировка дверей, то необходимо установить причину неисправности. Основные моменты:
- Попала пыль, грязь или элемент давно не смазывался.
- Произошло окисление, примерзание из-за попавшей влаги, попал концентрат. Может произойти утечка электротока или причиной этому стала мойка, атмосферные осадки, резкое похолодание.
- Проводилась неправильная регулировка. Высокая установка или слишком малый ход данной детали.
- Ложное срабатывание сигналки, когда в зазор между контактами попала пыль или вода.
- Коррозия. Предотвратить поломку поможет регулярная смазка внутренней ниши антикоррозийным средством.
Как произвести ремонт порогов автомобиля без сварки своими руками
Предупредить проблемы сможет регулярная диагностика, профилактические работы и герметичный пыльник, который полностью закрывает кнопку.

| Порядковый номер | Описание |
| 1 | Выключение А/С положения при открытии дроссельной заслонки. |
| 2 | Вентилятор радиатора, высокая скорость вращения. |
| 3/4 | Питание систем вспомогательного отопителя салона. |
Конференция и База знаний автовладельцев
Схема предохранителей Форд Фьюжн

Обычно пользователи нашего сайта находят эту страницу по следующим запросам: номер кузова Ford Fusion , давление в шинах Ford Fusion , неисправности Ford Fusion , подготовка к зиме Ford Fusion , тормоза Ford Fusion , масляный фильтр Ford Fusion , топливный фильтр Ford Fusion , фильр салона Ford Fusion , регулировка фар Ford Fusion
- Обесточить машину, отсоединив клеммы от аккумулятора.
- Вскрыть крышку монтажного блока и найти требуемый элемент.
- Используя специальный пинцет или щипцы вынуть поврежденный элемент из гнезда. При этом, доставать элемент голыми руками недопустимо – так можно повредить посадочное место.
- Далее потребуется собрать всю конструкцию в обратном порядке.
Реле и предохранитель бензонасоса Владельцам транспортных средств, у которых не работает сигнализация торможения, опасно продолжать движение, особенно на оживлённых магистралях. Неработающие «стопы» впереди едущего автомобиля могут ввести в заблуждение других участников движения. В таких случаях возможно возникновение аварийных ситуаций.
