Горят Туманки Без Зажигания Ваз 2114 • Не горят противотуманки
Что делать если не работают противотуманки на ВАЗ 2114
Разобравшись с тем, где расположен блок, управляющий работой цепи питания ПТФ, заменить его — пустяковое дело. Гораздо сложнее правильно диагностировать поломку. Поэтому, если по какой-то причине отсутствует питание на задние противотуманки, начать следует с проверки предохранителя и зачистки контактов.
Для последнего можно использовать обычную наждачную бумагу с мелкой зернистостью. Делать это нужно крайне аккуратно, ведь в блоке реле находятся электромагниты, при помощи которых и выполняется переключение контактов (при нажатии кнопки включения освещения).
Если же отсутствует питание задних фар ВАЗ, и вместе с ним не работают противотуманки, то это уже указывает не на поломку реле, а на повреждение электроцепи или короткое замыкание в системе (чаще всего — отсутствие минусового контакта с массы).
Чтобы точно установить причину, желательно воспользоваться мультиметром. Если не горят только задние фары, то это указывает на:
- поврежденный предохранитель;
- отсутствие 1, 2, 6 контактов (напряжения на них);
- замыкание переключателя (кнопка без фиксации);
- проблема с электропроводкой (обрыв).
Как показывает практика, реле на ПТФ ВАЗ 2114 выходит из строя крайне редко. Чаще всего происходит лишь обрыв контактирующей площадки или контакта массы из-за вибраций кузова. Грешить на неисправное реле следует в последнюю очередь.

Противтотуманки ВАЗ. Почему не работают противотуманки ВАЗ 2114
Лампы в ПТФ перегорели

Почему не горят противотуманки на ВАЗ 2115?
- Перегорание предохранителя.
- Сгорели лампочки.
- Окисление контактных соединений.
- Нет контакта на массу.
- Не работает кнопка.
- Отсутствует питание.
- Неверное подключение.
- Сломано реле.
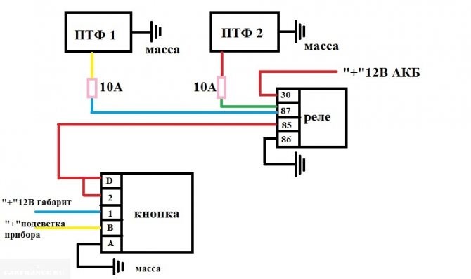
Не горят противотуманки на ВАЗ 2114: ищем причины Сделать это можно, воспользовавшись схемой, приведенной в начале. Особое внимание в этом случае следует уделить правильному подключению (к нужным разъемам) кнопки и реле.
Реле стартера, зажигания, задних противотуманных фонарей
С целью проведения быстрой проверки и ремонта, реле системы зажигания, устанавливают под передней торпедой салона авто, за ручкой открывания капота. Оно находится чуть ниже центральной приборной панели. Модуль закрыт пластиковой заглушкой, которую необходимо приоткрыть для проведения проверки на работоспособность.
Реле стартера, зажигания, задних противотуманных фонарей
Рядом с указанным реле, находится аналогичное задних противотуманных фонарей и стартера.
Основная задача реле зажигая – уменьшать подаваемую нагрузку на контакты. Во время запуска двигателя, реле отключает некоторые электрические цепи в системе ТС. Система используется не только в инжекторных, но и карбюраторных двигателях.
В случае неисправности или сбоев в системе зажигания, необходимо провести контроль работы реле. Для этой цели, открываем коробку и аккуратно вынимаем нужный элемент. Он крепится при помощи контактов в специальные пазы. Первое, что нужно сделать, посмотреть на окисление контактов, при необходимости очистить их мягкой тканью или обработать специальной жидкостью.
Для проверки работоспособности, нужно использовать обычный мультиметр. Подключаем к входящим соединениям и проверяем цифры. Если при подаче тока, отсутствует замыкание, значит, элемент не работает. Замена производится в аналогичном порядке. Использовать необходимо типовой элемент с указанным на корпусе количеством ампер.

Не горят противотуманки ваз 2114 — Авто-мастерская онлайн
- поврежденный предохранитель;
- отсутствие 1, 2, 6 контактов (напряжения на них);
- замыкание переключателя (кнопка без фиксации);
- проблема с электропроводкой (обрыв).
Не горят противотуманки на ВАЗ 2114: ищем причины Перед непосредственной установкой фар определяется их местоположение. В случае с автомобилем ВАЗ 2115 в бампере уже имеются штатные отверстия для установки дополнительных осветительных приборов. Аналогичные можно вырезать в бамперах ВАЗ 2113 и ВАЗ 2114.
Основные причины неисправности ПТФ
Наиболее распространенные причины, по которым VAZ 2114 противотуманные фары не работают, следующие:
- Вздутый предохранитель;
- Ослепированная лампочка (I);
- Контакты окислены;
- Там нет контакта с «массой»;
- Кнопка (I) не премьет (y);
- Реле (I) не удалось (y).
Кроме того, возможны другие, более редкие причины, которые мы также считаем ниже.
Итак, первая и наиболее распространенная причина — это вздутый предохранитель.
Каждый свет противотумания имеет свой собственный предохранитель, а именно F9 и F8 на устройстве, каждый из которых предназначен для 7,5 пределе ampera. В некоторых случаях происходит, что предохранители, ответственные за защиту противотуманных фонарей, не в центральном блоке.
Читайте также: Когда и как необходимо регулировать клапаны на ВАЗ 2105: последовательность процесса с фото и видео
Это тот случай, когда автомобиль был куплен вручную, а противотуманные фары были установлены предыдущим владельцем. В этом случае необходимо проверить вход, а не плитка, на которых установлены фары. Очень часто в одиночестве, предохранитель крепится в этом месте.
При замене предохранителя используйте только предохранитель 7.5 A. Предохранитель, предназначенный для более высокого тока, просто не сможет защитить фары против ударов напряжения, а предохранитель, предназначенный для более низкого тока.
Если оба противотуманные фонари не сияют, проблема, вероятно, не лежит в предохранителей, потому что провал обоих защитных элементов довольно редко.
Еще одна причина, почему противотуманные фонари не горит на ВАЗ 2114, может быть обычное горение лампочек. Чтобы проверить это, просто открутите старые лампочки и винт в их месте новым.
Другой, не менее частая причина (особенно в климате центральной зоны) — окисление самих фар. Это очень часто вызывает мигание или прерванную работу лампочек. Чтобы устранить эту проблему, достаточно удалить оксиды, очистка фар легких абразивных бумаги с толстым зерном или расширяя их скважина WD-40, бензин или нефть.
Кроме того, контакт от отрицательного полюса аккумулятора к корпусу автомобиля (для «массы») часто окисляется. Если это произойдет, очистите соединение, как описано выше.
Неисправность реле также может быть причиной того, что не работают задние противотуманные фары ваз 2114. Проверяется так же, как и кнопка — проверкой контактов или заменой реле на новое. Если выяснится, что он пришел в негодность, его тоже необходимо заменить.
Часто причиной выхода из строя фары являются сами фары. Если фары остаются включенными в течение длительного времени. Во время использования отражающий слой может испортиться, отслоиться и попасть на электрические компоненты, что нарушит их нормальное функционирование. Поэтому рекомендуется периодически проверять внутреннее состояние всех фар (не только ПТФ).
Не горят противотуманки
- Прямоугольники розовые 10A — 10-амперные предохранители;
- F1 и F2 — противотуманные фары;
- Значок земли — сочетание с заземлением;
- + 12 В — Выход в терминал «+» аккумулятор.
Схема подключения ПТФ Дополнительную интересную информацию вы сможете почерпнуть из видео ниже:
Перестали гореть обе противотуманки
Перестали гореть обе противотуманки,в чем может быть проблема? Может предохранитель какой посмотреть?
блин. неужели дойдем до того что скоро будут темы «кончилась омывайка в бачке..что делать??»
Предохранитель (в салоне за кармашком для молочи). Разъём кнопки.
реле смотри м.б. оно кыркнулось, но, скорее всего, контакты подкисли
у меня так тупо перегорели. просто замена лампочек
Перестали гореть туманки вместе с приборкой. Причем табло с километражем работает . Подсветка приборки (ярче — тусклее) тоже не работает(((( Печаль((
Сжег уже штук 10-15 предохранителей((( Горит тот который под рулём . Ставлю его по мощнее перегорает под капотом на габариты.
туманки отключал, приборку тоже все равно горят.
Приборка не горит совсем. И не важно есть предохранитель или нет.*((
В проводку влезали ? Доп датчики гавнетола ?
Нет ни чего такого не делали. Вчера во время дождя думаю потухла, или после него.
есть куча причин для к/з на что именно (на какую часть) предохранитель сгорает? все реле живы и работают? что за последние 2 недели на машину устанавливали из электрического доп оборудования? или попутные работы которые могли создать прецедент?
на авто уже «сто лет» ни чего не ставили. Горит предохранитель на туманки. Соответственно происходит следующее: Завожу, включаю габариты -всё ок, ну почти)) приборка не работает(подсветка приборки), включаю туманки и предохранитель перегорает. Ближний дальний работают!
туманки заводские или ставили сами (имею ввиду проводку сами прокладывали или с завода все) ? реле туманок работает? (щелкает хоть)
предохранитель на подсветку щитка приборов живой? (он может быть скрещен вместе с еще какой нибудь подсветкой например подсветку кнопок или плафона света в салоне или еще с чем нибудь)
Предохранитель сгорает когда я включаю габариты. но габариты горят. Т.е. тут даже дело не в туманках. а в приборке.
о много- мнений и тем на многих форумах было озвучено, по поводу замыкания в приборке (куча лирики.
что с предохранителем? который я озвучивал- который идет на подсветку приборки и зачастую еще какой-либо подсветки в салоне.
о много- мнений и тем на многих форумах было озвучено, по поводу замыкания в приборке (куча лирики.
Недостаточный контакт на массу
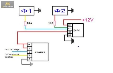
- прямоугольники розового цвета 10А — 10-ти амперные предохранители;
- Ф1 и Ф2 — противотуманные фары;
- значок заземления — подключение к массе;
- +12V — выход на «+» клемму аккумуляторной батареи.
Полезное видео
Приборка не горит совсем. И не важно есть предохранитель или нет.*((
Инструкция по демонтажу и замене противотуманной фары
Замена противотуманной фары может понадобиться, если не работает весь узел или значительно ухудшилось качество светового луча. При замене чаще всего необходим демонтаж бампера. Именно на нем находится заглушка противотуманной фары.
После того, как откроются крепления оптики к кронштейну, нужно соответствующим инструментом открутить крепеж от кронштейна. Далее нужно отсоединить штекер и можно снимать противотуманку. Если нужно заменить полностью узел, то устанавливается новая деталь.
Фотогалерея «Замена противотуманок»
Если меняется рамка противотуманной фары, отражатель или стекло, то необходимо разобрать противотуманку. Для этого ее нужно хорошо прогреть, например, феном, чтобы расплавился герметик, а затем можно разбирать ПТФ.
Установка заменяемой или отремонтированной оптики выполняется в обратном порядке: присоединяется штекер, устанавливается противотуманка на штатное место, закручиваются болты крепления к кронштейну. На последнем этапе возвращаются на место либо подкрылки, либо бампер.
Схема установки противотуманных фонарей
- Капот необходимо открыть, а с консоли предохранителей снять крышку.
- Затем осуществить проверку 15А, который непосредственно отвечает за его работу. Если после замены предохранителя белый свет не зажегся, диагностика продолжается.
- Необходимо включить зажигание, чтобы зафиксировать электрическое напряжение на консоли. Если его нет (а его показатель должен быть равен 12 В), то вполне вероятно, что контакты окислились. Если же есть, проверка проводится дальше.
- И тогда уже требуется лезть под авто. С электродвигателя снимается защита, включается зажигание и соответствующая передача. Теперь можно смотреть — появилось напряжение на разъеме датчика, или же нет.
- Как уже говорилось выше, при отсутствии тестера со стрелкой можно использовать контрольную лампочку. Ее свечение должно дать понять об имеющемся напряжении.
- Затем наступает ключевой момент: необходимо произвести замыкание проводников рассматриваемого датчика. При появлении света остается лишь констатировать факт, что требуется замена датчика заднего хода ВАЗ 2114.
Как самому отремонтировать задние фары ВАЗ 2106 Еще одной, не менее частой причиной (особенно в условиях климата средней полосы) является окисление контактных разъемов самих фар. Очень часто при этом происходит моргание или прерывистая работа лампочек. Для того, чтобы устранить эту неприятность, достаточно убрать окислы, зачистив контакты фар шкуркой с некрупным зерном или хорошо протерев WD-40, Уайт-Спиритом либо керосином.
Установка и подключение противотуманных фар на автомобилях ВАЗ
Основная задача ПТФ — освещение пространства перед автомобилем. Правильно отрегулированные «противотуманки» способны осветить отрезок дороги длиной 10–15 метров. Такого расстояния вполне достаточно для безопасного передвижения на машине в условиях плохой видимости. Включение и выключение подобных осветительных приборов должно полностью контролироваться водителем.
Регулировка противотуманных фар осуществляется в процессе их установки. Процедура не занимает много времени, но требует внимательности и аккуратности. Самостоятельно можно установить задние и передние ПТФ.
Как устроено реле задних противотуманных фар ваз 2114
- провода с колодками и клеммами для конкретной модели ВАЗ. Стандартно их три штуки: один соединяет фары, второй идёт к реле от выключателя и третий — от реле к блоку предохранителей;Набор проводов с клеммами и колодками для установки ПТФ
- реле противотуманных фар;Реле противотуманных фар на ВАЗ 2113, 2114, 2115
- кнопка включения;Кнопка для включения ПТФ на Ладу
- клипсы и стяжки, которыми фиксируются провода;Пластиковые стяжки и клипсы, которыми крепятся провода
- противотуманные фары.ПТФ на ВАЗ 2115
Предохранитель Порядок установки выглядит следующим образом:




