Ваз 2107 Задние Фонари Неправильно Горят – Замена лампы
Не горят передние габариты ваз 2107
Габаритные огни являются одними из важнейших световых приборов автомобиля. Нерабочие в темное время суток габаритные огни – почти неизбежное ДТП. В этой статье мы выясним, почему могут не гореть задние габариты в ВАЗ 2107, а также попробуем устранить неисправность самостоятельно.
Основные причины неисправности и методы устранения
Причин, вызывающих эту неисправность, в принципе, немного, и практически любую из них можно устранить самостоятельно, имея начальные знания электрики. Итак, основные причины отказа задних габаритов следующие:
- Сгорел предохранитель, отвечающий за габаритный свет.
- Пропал контакт в соединительных колодках питания ламп габаритов.
- Оборвался питающий провод.
- Питающий провод замкнул на кузов.
- Сгорела лампа габаритного фонаря.
А теперь поговорим о методах устранения этих неисправностей, но прежде взглянем на схему наружного освещения ВАЗ 2107:

Задние фонари ВАЗ 2107: замена платы и стекла, почему не работают стоп-сигналы, тюнинг и схема
- Лампы передних габаритов.
- Освещение подкапотного пространства.
- Монтажный блок.
- Выключатель (замок) зажигания.
- Выключатель-регулятор яркости освещения приборной панели.
- Выключатель наружного света.
- Контрольный индикатор работы наружного освещения.
- Подсветка приборов.
- Лампы задних габаритов.
- Подсветка номерного знака.
Задние фонари ВАЗ 2107: схема подключения, неисправности, замена и ремонт, инструкции с видео и фото У некоторых людей возникает вопрос по поводу масла – потечет или нет. В данном случае не потечет.
Стоп сигналы вернулись — что было сделано?
Сначала проверяем «лягушку» (фонари (контакты плат) уже проверены, если нет, проверить)

Фото не очень качественное, но для наглядности в самый раз.
На нее приходит плюс. Для начала просто замыкаем эти два контакта. Если сигналы загорелись выключатель под замену. Если нет проверяем наличие «плюса». Если нет, идем к монтажному блоку.
В блоке есть предохранитель f11 — отвечает за стоп сигналы и салонный свет. Бытует мнение если свет не горит, «умер» предохранитель. Умирает в основном от замыкания проводов «на массу» в районе дверных стоек. У меня стоял исправный предохранитель, поэтому я решил проверить, приходит ли плюс на блок.
Ваз 2107 габариты не горят – 5 причин почему не работают габариты на ВАЗ-2107
Какие лампы стоят в задних фонарях

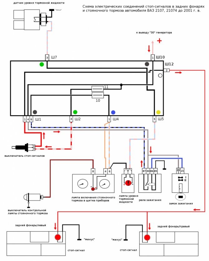
Не работают стоп-сигналы на автомобилях ВАЗ 2105, 2107
- Стоп сигналы на ваз 2107 могут отказать из за плохого соединения электрических разъемов автомобиля.
- Вышел из строя предохранитель.
- Вышла из строя лягушка тормоза.
- Проблемы лампы стоп сигнала.
Не горит габарит заднего фонаря В зависимости от года выпуска ВАЗ 2107 комплектовалась двумя типами монтажных блоков (фото выше), нумерация предохранителей в них следующая:
Характерные неисправности
Если не горят стоп сигналы, то это может быть сама лампа стоп сигнала плафона автомобиля. Одновременный выход ламп обоих плафонов редок, но и такая поломка встречается.
- Стоп сигналы на ваз 2107 могут отказать из за плохого соединения электрических разъемов автомобиля.
- Вышел из строя предохранитель.
- Вышла из строя лягушка тормоза.
- Проблемы лампы стоп сигнала.
Рекомендуем: Как улучшить свет фар на ВАЗ-2110 своими руками?
Лампа может перегореть по ряду причин. Это и длительный срок эксплуатации, и заводской брак, и грязь или вода, попавшие на цоколь.
Наиболее часто встречается такой заводской брак, как отсутствие соединения корпусного проводка лампы. В этом случае цоколь лампы часто начинает крутиться даже от незначительных усилий.

Иногда окисляется припой на цоколе. Эту проблему легко устранить, зачистив припой ножом или наждачной шкуркой.
Окисляется и плата плафона. В этом случае поверхность очищается стиральной резинкой до появления блеска.
В разных плафонах одновременно могут возникнуть разные неисправности. Это может произойти и одновременно!
Визуальный осмотр лампы может ничего не дать. Ее следует проверять прямым подключением к источнику +12.
Плохое соединение разъема. Задние фонари соединяются с электрической схемой разъемами. Именно здесь таится максимальное количество неприятностей.
Стопари могут не гореть от плохого соединения или от окисления платы. Снимите разъем и протрите плату стиральной резинкой до блеска.
Поломка может быть и в самом разъеме. Контакты разъема очень нежные. Они могут отойти или отгореть. Если они отошли, их немного приподнимают вверх иголкой. Если контакт отгорел, то либо замените его, либо замените весь разъем.
В блоке предохранителей есть разъем Ш12. Там тоже могут отойти контакты. Пошевелите его.
Неисправность лягушки. Лягушка расположена сверху педали тормоза. Проверить ее исправность очень просто. Снимите оба разъема с лягушки и соедините их между собой. Если стоп сигналы загорелись, значит ее необходимо заменить.
Лягушка крепится гайкой на штоке и контргайкой. Снимите фиксирующую пластмассовую гайку, снимите контргайку и выньте лягушку из кронштейна.
При установке лягушки добейтесь такого положения, чтобы стопари загорались при нажатии на педаль тормоза на 1,5-2 см. Обязательно устанавливайте защитную пластмассовую гайку штока. Это предохранит шток от выхода из строя.
Проверка работоспособности
- Не горят — требуется искать проблему. Причем сигнал о том, что не горят обе лампы на автомобиле, свидетельствует о необходимости проведения глобальной проверки, так как парно световые элементы перегорают в редких случаях.
- Горят наполовину — если горит только один стоп-сигнал, значит надо разобрать вторую фару и проверить исправность лампы. С большей вероятностью из строя вышел осветительный элемент(лампочка), и реже причиной может быть нарушение контакта.
ВАЗ 2107 Часто встречающийся вариант. обыденные: лампочка либо даже две перегоревшие (это также случается, к примеру, когда машина падает под сильный дождик). Ну либо с ненормальным замыканием контакта. Итак, разбираем боковые фонари изнутри и убираем лампочки стоп-сигнала. Если они становятся темными / мерклыми / при разводе, мы немедля меняемся, не разговаривая.
Фонарь заднего хода
Фонарь заднего хода не принадлежит к числу обязательных, однако, его использование может существенно повысить степень безопасности автомобиля. Этот световой прибор срабатывает при включении задней передачи и выполняет функции:
- освещения участка дороги и предметов, расположенных сзади автомобиля при движении задним ходом в тёмное время суток;
- информирования других участников движения о том, что автомобиль перемещается задним ходом.
Принцип работы фонаря заднего хода основан на замыкании электрической цепи, в которую подключены лампы заднего хода, при включении зажигания и задней передачи. Замыкание происходит с помощью так называемой «лягушки», установленной на КПП.
В цепь фонарей заднего хода подключён предохранитель F1, который отвечает также за электродвигатель отопителя, очиститель и омыватель заднего стекла.

Характерные неисправности
- Снимите защиту с двигателя автомобиля, если таковая имеется.
- Расположение датчика на автомобиле ВАЗ 2108 и подобных немного другое, чем на Классике, так как автомобиль имеет передний привод.
- По ходу движения автомобиля датчик находится с левой стороны.
- Если Классику приходилось загонять на смотровую яму, то автомобили на переднем приводе достаточно просто приподнять под левое переднее колесо при помощи домкрата.
- Опять же – к датчику подходят провода электропроводки.
- Снимите провода.
- Для снятия датчика понадобится удлиненная головка на 22 и вороток.
- При помощи головки снимаем датчик.
Принцип работы фонарей заднего хода Если не горят стоп сигналы, то это может быть сама лампа стоп сигнала плафона автомобиля. Одновременный выход ламп обоих плафонов редок, но и такая поломка встречается.
Проверка проводки габаритных стоп-сигналов (проверка массы)
Давайте посмотрим на базовую схему: стоп-сигналы и задние фонари имеют общий «весовой» цапфу. Если контакт с этим контактом сломан, задние фонари не включатся. Ну и стоп-сигнал тоже.
Разъем для подключения «внутреннего» освещения
С левой стороны есть разъем, через который проводка идет к пятой двери. Разъем имеет черный и красный провода. Проверьте напряжение на них. Чаще всего «масса» на черном проводе не звонит. Но вам может потребоваться очистить сам разъем.
Обычно, когда «масса» снимается, используется другой штифт. тот, который подключается к стеклянной нагревательной катушке.
Если «плюс» не падает на красный провод, мы проверяем «лягушку». Здесь все просто:
- Отсоедините разъем двумя проводами от концевого выключателя;
- С помощью гаечных ключей «17» ослабьте затягивание двух гаек: удерживая нижнюю гайку, поверните верхнюю;
Кстати, одна из клемм получает напряжение «12 вольт». Проверьте это!
Если все действия не работают, остается только одно: обратиться к квалифицированному электрику. Желаем успехов.
Схема подключения ВАЗ 2107 довольно проста. Вы можете диагностировать и устранить неисправность самостоятельно. Если сигналы остановки для ВАЗ 2107 не загораются, следует искать неисправность в определенных местах. Чтобы определить проблему, вам понадобится тестер, ластик, два куска провода и гаечные ключи.

Порядок поиска неисправности
Стоп-сигнал

Замена датчика
- 6. «массовый» потенциал;
- 2. напряжение «12», но только после включения зажигания;
- 5. «12» нажатием на педаль;
- 4. концевые кольца напоминают «земляной» кран.
Не горят габариты ваз 2107 . После освобождения можно доставать старую лампу, ведь она уже ничем не закреплена
Порядок поиска неисправности
Наиболее часто выходят из строя лампы. Начинать лучше всего с них. Если они исправны, снимите с лягушки штекера и соедините их между собой. На штекерах должно быть +12.
Рекомендуем: Замена топливного фильтра на автомобиле Hyundai Getz
Блок предохранителей ремонтируется только в специализированных мастерских. В данном случае могла перегореть дорожка платы.
Крайне редко происходит обрыв провода стоп сигналов. Жгут проводки выходит из-под щитка приборов и идет по полу автомобиля под ковриком. Оба фонаря стоп сигналов соединены параллельно. Проверяем целостность провода от лягушки до фонарей. При необходимости заменяем отдельно взятый стоповый провод.

ПРЕДОХРАНИТЕЛИ
- Работу необходимо проводить в сухом месте с хорошим освещением, идеальное решение – гараж, но можно делать это даже на улице, если погода позволяет, и нет атмосферных осадков.
- Никакой специальный инструмент не требуется, что является несомненным преимуществом данного вида работ.
Где находятся предохранители? Не горит подсветка комбинаций приборов, габариты, ближний свет фар, корректор фар не работает, задние противотуманные фонари и вольтметр работает то 12 то 13 В. При включении заднего хода вольтметр сбрасывает показания до 10 В, а при выключении подсвети подскакивает до 12 В и далее до 13 В.
ТЕХНИЧЕСКОЕ УСТРОЙСТВО

Схема и расположение предохранителей на ВАЗ 2114(так же на 2113 и 2115)
Теперь нам осталось лишь разобраться почему происходят такие проблемы, и каким образом их решать, например, как заменить габаритную лампу на ВАЗ 2114 в любой части авто. Итак, для начала разберемся почему не горят габариты, какие у этого могут причины:
- Отсутствие напряжения на фарах;
- Перегорели лампы;
- Сгорел предохранитель;
- Вышел из строя блок предохранителей;
- Сломалась кнопка включения огней.
Итак, теперь нам необходим разобраться в каждом конкретном варианте подробнее, например, почему не горит левый задний габарит. Первая и самая логичная причина – просто вышел ресурс лампы, и она перегорела, также как это бывает с обычными домашними лампочками. Теперь ее нужно заменить, делается это аналогично во всех частях авто:
- Сначала нужно отыскать где изнутри находится корпус фары или подворотника и снять защитный кожух, на ВАЗ 2114 на нем прямо написано, как это делается. Вытащится все вместе с цоколем;
- Теперь в цоколе нужно отыскать габарит и аккуратно вытащить его оттуда;
- Вынимаем лампу, она здесь просто вставляется на защелке;
- Вставляем новую, так, чтобы она щелкнула и собираем все в обратной последовательности.
Порядок поиска неисправности
АвтоНовости / Обзоры / Тесты

Подсветка номера ВАЗ-2107
НЕИСПРАВНОСТИ И ИХ УСТРАНЕНИЕ (ЗАДНИЕ И ПЕРЕДНИЕ ГАБАРИТЫ) Если не горят стоп сигналы, то это может быть сама лампа стоп сигнала плафона автомобиля. Одновременный выход ламп обоих плафонов редок, но и такая поломка встречается.
