Проводка на Опелях и специфика ее замены без помощи автоэлектрика

Каждый современный автомобиль оснащается электрической схемой, предназначенной для соединения и питания всех потребителей энергии. Если проводка задней или передней двери автомобиля Опель Астра H не работает, автовладельцу придется искать место обрыва для «лечения» неисправности. В этой статье мы подробно расскажем об элементах электросхемы и замене проводов на Опелях.
Что входит в электросхему?
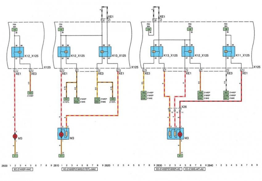
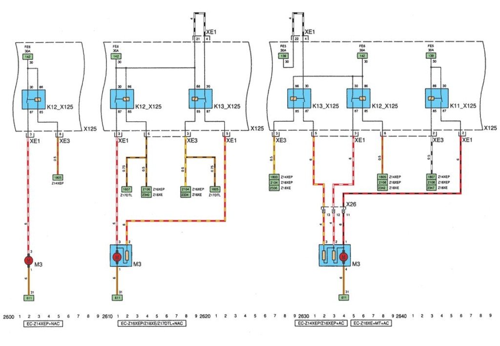
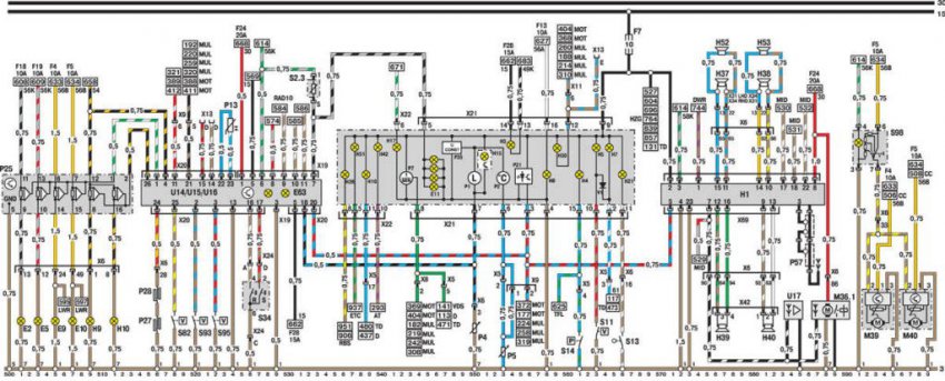
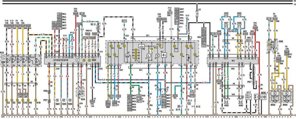
Полная электросхема Опель Астра
Для начала рассмотрим, из каких систем состоит электрическая схема автомобиля Опель Астра А, Б или H:
- система управления силовым агрегатом;
- бензонасос, а также устройство подогрева фильтрующего элемента и регулятор положения педали газа;
- система охлаждения мотора;
- устройства очистителей лобового и заднего стекла (если это хэтчбек, в седанах заднего дворника нет), датчик дождя, узел для омывания оптики;
- внешние зеркала заднего обзора;
- электрические стеклоподъемники, если ими оборудовано авто;
- модели Астра H также оснащаются системой отопления и вентиляции салона транспортного средства;
- освещение багажного отделения, салона, прикуриватель;
- освещение контрольного щитка, а также передней и задней оптики;
- тягово-сцепной узел, гудок;
- противотуманная оптика, а также система освещения номерного знака;
- устройство обогрева заднего стекла, климат-контроль или кондиционер, различные регуляторы;
- освещение зеркала потолочного козырька и бардачка.
Электросхема системы охлаждения мотора
Распространенные неисправности
Какие в работе проводки Опель Вектра Б или Астра H могут произойти неисправности:
- Короткое замыкание — одна из наиболее распространенных проблем. При КЗ перегорает предохранительный элемент, а если вместо него был установлен самодельный предохранитель, то это может привести и к перегоранию изоляции того или иного участка цепи. В том случае, если провод установлен отдельно, не в связке с другими кабелями, то это лучше всего — в данном случае менять нужно будет только проводок. Другое дело, если сам кабель, изоляция которого подверглась перегоранию, находится в жгуте. Если это так, то оплавление изоляционного слоя произойдет и с другими проводами, расположенными рядом. В свою очередь, такая проблема может привести к возгоранию.
- Обрыв цепи в автомобилях Опель Омега, Астра H или в любой другой модели — это не настолько опасная проблема, при обрыве максимум, с чем придется столкнуться автомобилисту — неработоспособность оборудования.
- Отсутствие либо плохой контакт в соединениях. Довольно часто, когда блок управления выдает ошибку на приборной панели Check Engine, при этом указывая на неисправность того или иного датчика, причина заключается просто в плохом его контакте. При этом блок управления будет расценивать этот датчик как неработоспособный. Для диагностики плохого соединения понадобится вольтметр. Его нужно подключить к массе, то есть кузову или двигателю авто, а вторым щупом — к выводу соединений, диагностика уровня напряжения осуществляется с обоих сторон. Уровень снижения напряжения должен составлять не выше 0.5 вольт.
- Неисправность оборудования — самая простая с точки зрения диагностики поломка. Вы точно знаете, что вышло из строя и вам остается только заменить то или иное устройство. Однако, перед заменой желательно понять, в чем заключается причина выхода из строя оборудования, чтобы не допустить такой же проблемы в будущем.
- Неисправность аккумулятора отразиться на работе многих потребителей энергии. Более того, с разряженной батареей у вас не получится даже запустить двигатель. Причин разряда может быть несколько — нарушение правил использования, износ в результате долгой эксплуатации либо производственные дефекты.
- Генератор — это устройство, которое питает все потребители энергии в бортовой системе авто во время движения, в отличие от АКБ, который питает оборудование в начале эксплуатации авто. Если генератор начинает работать некорректно, это одновременно может отразиться на функционировании многих узлов. Сам генератор состоит из многих элементов, поэтому если вы уверены в том, что проблема заключается именно в этом узле, все его составляющие нужно будет проверить. А для этого придется произвести демонтаж механизма и его разборку для выявления слабых мест (автор — канал Volodymyr Zagryvyi / Владимир Загривый).
Инструкция по замене проводки
Перед тем, как заменить оборванный провод на Опель Астра H, необходимо его найти. Для диагностики вам потребуется контрольная лампочка с проводом. Один конец лампочки следует подключить к кузову транспортного средства, а с помощью второго диагностируется наличие питания в места соединения. Как показывает практика, чаще всего обрыв проводки можно найти на изгибах проводов, и значительно реже — в жгутах.
Итак, процедура замены выглядит следующим образом:
- Сначала ищется оборванный участок.
- После того, как неработоспособный провод найден, его необходимо извлечь.
- После извлечения производится укладка нового кабеля. При прокладке необходимо учесть, что провод не должен взаимодействовать с движущими частями кузова или другими движущимися элементами. В противном случае очень быстро может произойти перетирание кабеля и, соответственно, его обрыв.
- Когда кабель уложен, его необходимо подключить. Места соединений лучше запаять и защитить при помощи изоляционной ленты. Также изолентой можно обмотать весь провод — это позволит увеличить его ресурс эксплуатации.
- После установки кабеля производится проверка работоспособности оборудования. Если все работает правильно, то можно прятать провод и наслаждаться работой исправного авто. Если же что-то не работает, нужно искать причину и устранять ее (автор — канал TEXaS TV).
Меры профилактики
Как не допустить проблем в работе электросхемы автомобиля:
- В первую очередь, всегда следите за работой аккумулятора. Время от времени батарею необходимо проверять на предмет наличия разряда, если вы заметили, что АКБ разряжена, ее надо как можно быстрее зарядить. Особенно, если речь идет об эксплуатации авто зимой — в зимнее время батареи разряжаются быстрее. Подробнее о том, как зарядить аккумулятор в домашних условиях, вы можете узнать из этой статьи. Также профилактика АКБ включает в себя проверку уровня электролита и его добавление при необходимости. Замена батареи должна произойти как можно быстрее, если на устройстве имеются следы повреждений, трещины и т.д.
- Работоспособность генератора. О выходе из строя этого узла автомобилисту могут сказать такие симптомы, как появление лампочки разряда АКБ на приборной панели или ее мигание, выкипание аккумулятора. Если узел работает, но не правильно, при включении фонарей вы сможете заметить, что они стали светить менее ярко. А когда обороты двигателя будут увеличиваться, яркость свечения фар также возрастет. Диагностика узла должна производиться в том случае, если при его работе имеется гул или транспортное средство время от времени глохнет. Если машина глохнет во время езды, а генераторный узел при этом гудит, это говорит о том, что в электроцепи не хватает напряжения, при этом батарея может быть нормально заряжена. Более подробно о причинах, симптомах и диагностике генератора вы можете узнать из этой статьи.
- При установке новых гаджетов или аудиосистемы укладывайте только соответствующие провода. Проводка может быть многожильной, с разным сечением, рекомендации касательно использования тех или иных проводов должны быть приведены в сервисной инструкции к прибору, который вы устанавливаете.
- Всегда используйте предохранители, которые соответствуют необходимому номиналу. Если на устройства написано 15А, то необходимо использовать именно 15-амперный предохранитель. Не на 12, не на 20 А, а именно на 15.
- Не используйте авто с разряженным аккумулятором, это может привести к его полному разряду и, соответственно, ускоренному износу.
Видео «Ремонт проводки в Опеле своими руками»
Подробная инструкция касательно ремонта проводки в электроцепи автомобиля Опель приведена на видео ниже (автор — канал Программа Автомобиль).
