1632 Ошибка Газель 405 Евро 3 – Ошибка p0108
Коды неисправностей газель двигатель 405
На автомобиле Соболь с двигателем ЗМЗ-40522 установлен блок МИКАС 7.1 или МИКАС 7.2. Это микропроцессор, который обрабатывает информацию от датчиков и вырабатывает управляющие сигналы для исполнительных устройств, по программе введенной в память блока управления ПЗУ.
Программа имеет функцию подстройки системы к различным условиям эксплуатации и нагрузки на двигатель. Информация о настройках хранится в ОЗУ блока системы управления двигателем. При отключении аккумулятора эта информация стирается.
Блок управления диагностирует цепи датчиков и исправность собственнй схемы, при выявлении включает сигнальную лампочку и записывает в память код ошибки. Сигнализатор системы управления включается также при временных сбоях в работе датчиков и перегреве двигателя. В этом случае он сразу гаснет после того как неисправность исчезает.
При включении зажигания лампа сигнализатора загорается (на 0,5с) и гаснет, если система самодиагностики не обнаружила неисправность.
Если система диагностики определит неисправность, то контрольная лампа может гореть либо постоянно, либо только при работающем двигателе. В обоих случаях необходимо провести диагностику системы управления двигателем.
Для перевода блока управления в режим вывода кодов неисправностей нужно:

- включить зажигание
- снять крышку колодки диагностического разъема, расположенного под капотом справа
- пермычкой из медной проволоки соединить выводы «10» и «12» колодки
- по количеству включений лампочки сигнализатора определить код неисправности (каждой цифре кода соответствует короткая (по 0,5с) серия вспышек, между сериями идет пауза на 1,5с, после того как все 2 или 3 цифры переданы следует длинная пауза на 4 с).
- сначала система диагностики выдаст три раза подряд код»12″, свидетельствующий о исправности системы
- следующими будут отображаться коды обнаруженных ошибок, код каждой неисправности повторяется трижды
- после показа всех кодов неисправностей цикл повторится
- ели кодов неисправностей нет то будет показан только код «12»
Код обнаруженной неисправности хранится в памяти блока около 2 часов. Для очистки памяти нужно ВЫКЛЮЧИТЬ зажигание и снять клемму с аккумулятора. Вместе с кодами ошибок будут потеряны и данные адаптации к управлению двигателем.
Ошибка P0606 — Модуль управления двигателем/модуль управления силовым агрегатом – неисправность процессора
Коды неисправностей газель двигатель 405 — Все о Здоровье Замыкание на землю первичной цепи реле кондиционера
Как механик диагностирует ошибку P2106?
При диагностировании данной ошибки механик выполнит следующее:
- Подключит сканер OBD-II к диагностическому разъему автомобиля и считает все сохраненные данные и коды ошибок (следует отметить, что все присутствующие ошибки необходимо рассматривать и устранять в порядке их сохранения в памяти компьютера)
- Очистит коды ошибок с памяти компьютера и проведет тест-драйв автомобиля, чтобы выяснить, появляется ли код P2106 снова
- Если код ошибки появится снова, визуально осмотрит педаль акселератора и дроссельную заслонку
- Проверит системы автомобиля, данные которых используются при расчете положения дроссельной заслонки
- Измерит сопротивление и напряжение датчиков, установленных на педали акселератора и дроссельной заслонке, с помощью цифрового вольтомметра
- Сравнит полученные значения со значениями, указанными в технических условиях производителя, и при необходимости заменит неисправный датчик
- Если проблему не будет обнаружено, проверит и при необходимости заменит модуль управления двигателем (ECM)

Ошибка P2106 — Система управления приводом дроссельной заслонки – принудительное ограничение мощности
Дополнительные комментарии для устранения ошибки P2106

Диагностика двигателей автомобилей ГАЗ 3110 и ГАЗ 31105
- Модуль управления двигателем (ECM) находится в режиме устранения неисправности.
- Мощность двигателя была принудительно ограничена вследствие наличия серьезной неисправности в системе управления приводом дроссельной заслонки.
- Наличие неисправности в одной или нескольких системах автомобиля, данные которых используются при расчете положения дроссельной заслонки.
Дтож 405 евро 2 Высокий уровень сигнала с датчика температуры охлаждающей жидкости
Внешние признаки
- На приборной панели активируется сигнальная лампа Check Engine.
- Возникают пропуски зажигания в одном или нескольких цилиндрах двигателя. То есть, мотор начинает «троить», что отчетливо слышно по звуку.
- Потеря динамических характеристик машины, двигатель слабо разгоняется (повышает обороты). Также наблюдается потеря мощности, что выражается в том, что машина «не тянет», особенно при движении в гору либо в нагруженном состоянии.
- Проблемы с запуском двигателя вплоть до полной невозможности запустить мотор.
- Вибрация двигателя в процессе работы. При этом зачастую возникают не только вибрации и сопровождающие их неприятные лязгающие звуки.
- Двигатель глохнет, причем это может произойти не только на малых, но и на средних и высоких оборотах, в том числе при движении автомобиля.
- Возрастает расход топлива, причем во всех режимах работы двигателя.
- При работе мотора на холостых оборотах их значение может быть неустойчиво (то есть, обороты «плавают»).

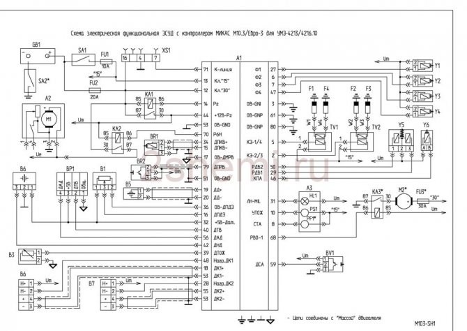
Обозначения компонентов и цепей на схеме
Электрические цепи
Описание контактов ЭБУ Микас 10.3
Проверка приборами
- Х—четная цифра для исполнения блока с иммобилизатором, нечетная—без иммобилизатора;
- Х—цифра 1 или 2—для двигателей УМЗ-ХХ;
- Х—цифра 3 или 4—для двигателей ЗМЗ-ХХ;
- К—климатическое исполнение: к=7 для исполнения «У-Т», отсутствие цифры для исполнения «У»;
- YY—номер исполнения по назначению: марка двигателя, комплектация системы управления, тип автомобиля.
Насколько серьезной является ошибка P0606? Линейка серии ГАЗель Бизнес оснащаются бензиновым четырехцилиндровым двигателями УМЗ-4216 с рабочим объемом 2.89 л и мощностью до 107 л.с. Расход топлива в сравнении с предыдущей серией снижен на 6%, эффективность тормозной системы увеличена на 8 %.
